Los tres métodos de montaje más importantes son: MECÁNICOS: con tornillos, pernos y remaches; TÉRMICOS: con soldadura fuerte y blanda; QUÍMICOS: con adhesivos. La unión de materiales con adhesivos proporciona ventajas significativas respecto a los métodos de unión mecánicos. Además de una distribución uniforme de la tensión, no hay distorsión en el sustrato, ya que las piezas no se calientan como en la soldadura; posibilita combinar materiales distintos, lo que permite seleccionar y optimar materiales; proporcionan uniones selladas y mejora del aspecto del producto. Entre las limitaciones se incluyen el tiempo para alcanzar la resistencia y la necesidad de preparar adecuadamente las superficies.
Materiales, Productos y Reactivos
Chapa Al2024-T3,1.0 mm Cobrealtok 24, 2000x1000 suministrado por ALU-STOCK; PP-homopolímero Goodfellow, película de espesor 0.27 mm de 650x1000 mm suministrado por Microplanet Laboratorios, S.L.; Adhesivo DP 8005 estructural suministrado por 3M Co.; Aplicadores EPX pistola para adhesivos, suministrados por 3M Co.; Mezcladores estáticos EPX MX7-S1 para adhesivos, suministrados por 3M Co.; Adhesivo de doble cara film RP 45, suministrado por 3M Co.; Acrylic Foam 4952-P suministrado por 3M Co.; Adhesivo Loctite 435 suministrado por Henkel Corp.; Viniltrimetoxisilano, suministrado por Gel-est Cymit Química, S.L.; Trietoxisilano, suministrado por Gel-est Cymit Química, S.L.; Dimetilclorosilano, suministrado por Gel-est Cymit Química, S.L.; Dimetildiclorosilano, suministrado por Gel-est Cymit Química, S.L.; Triclorosilano, suministrado por Gel-est Cymit Química, S.L.; Bis (trietoxisilil)etano, suministrado por Gel-est Cymit Química, S.L.; Primer 94, suministrado por 3M Co.; Metacrilato de glicidilo, suministrado por Aldrich, S.A; PP-g-MAH (G3003), suministrado por Huntsman; PP-g-MAH (E-43), suministrado por Epolene; Metóxido de sodio, suministrado por Aldrich, S.A.; Acido fosfórico, R.A., suministrado por Panreac, S.A.; Acido nítrico, R.A.; suministrado por Panreac, S.A.; Reactivos para preparar los patrones de tensión superficial conocida (cf. ISO 8296); Metanol, Etanol, Acetona Q.P. Panreac,S.A.;Lijas nº 600, nº1200, nº2400, suministradas por Neurtek, S.A.
Equipos y Maquinaria
Espectrofotometría Infrarroja por Transformada (FTIR) Perkin Elmer Spectrum Two.; Espectrofotometría Infrarroja (FTIR) Perkin Elmer Spectrum 1000 (con cel. líq).; Reflectancia Total Atenuada (ATR) Specac Golden Gate.; Baño de ultrasonidos Selecta; Máquina Universal de Ensayos Ibertest mod. Elib. W50; Rugosímetro electrónico TR200, Time Group Co.; Microscopía electrónica de Barrido (SEM) Jeol 5510; Sputter Balzec con oblea de Au/Pd para plasma de metalización de muestras.; Medidor de ángulos de contacto y Energía superficial OCA-15 Dataphysics; Probador de Adherencia digital Neurtek AT-1.
La preparación de las superficies es la etapa más crítica en el proceso de la unión adhesiva, y es la menos “creída” y puesta en práctica por los usuarios, siendo responsable de la mala “fama” de estos sistemas.
Para conseguir una unión óptima es necesario un pretratamiento superficial. La resistencia de la unión está determinada por la adhesión entre las superficies a unir y el adhesivo. Como idea general debe establecerse que las uniones adhesivas serán mas fuertes cuanto mas limpias estén las superficies.
Las superficies metálicas frecuentemente están cubiertas de un revestimiento de oxido que no se puede eliminar mediante un simple desengrasado. En estos casos es necesario un tratamiento mecánico de la superficie mediante lijado con lijas de tamaño de grano decreciente, en alternancia con limpieza con acetona para eliminar las trazas de partículas residuales y seguidamente secados controlados. Posteriormente, en este trabajo, se realizarán tratamientos químicos con agentes a los que haremos referencia.
La unión de plásticos de baja energía superficial, como PE, PP y PTFE, siliconas y muchos elastómeros termoplásticos, necesitan un tratamiento de las superficies a unir si se quieren obtener elevadas resistencias. Una de las ventajas de las imprimaciones comparada con otros tratamientos es que son sencillas de manejar. Los plásticos que se pueden unir fácilmente sin pretratamiento (PVC, ABS, NBR) no conviene aplicarle; en aquellos casos en los que uno de los materiales sea de baja energía superficial, como en este trabajo el PP, se debe tratar éste con la imprimación o con agentes químicos de tratamiento.
Los procesos de limpieza se pueden evaluar mediante el ensayo de mojabilidad (o de humectabilidad o ensayo de rotura de gotas de agua) que se encuentra normalizado en ISO 8296). En una superficie limpia de forma no adecuada la forma esférica de la gota se mantiene (esto es indicativo de que la superficie es hidrofóbica y el ángulo de contacto es alto); la superficie debe volverse a limpiar. Si el agua se extiende sobre la superficie tratada, el ángulo de contacto es pequeño, la superficie es hidrofílica y el mojado es satisfactorio. Hay otras técnicas (mas complejas, pero mas precisas) que permiten no solo evaluar la energía superficial sino las componentes polar y dispersiva (de esta energía superficial) mediante los métodos de Zismann, Owen y Wu, utilizando líquidos patrón, mediante la medida de ángulos de contacto.
El adhesivo estructural acrílico DP 8005 que se utilizará es un adhesivo bicomponente líquido, formado por el componente A y el componente B. El componente A contiene un poliéster adipato, una boroamina una azirina polifuncional y una pequeña cantidad (~ 1%) de sílice amorfa. El componente B es básicamente resina de metacrilato de metilo y de etilhexilmetacrilato, conteniendo un terpolímero de acrilonitrilo-butadieno-estireno (ABS) y lleva una pequeña cantidad (3-6%) de microesferas de vidrio tratadas superficialmente con compuestos de vanadio como compatibilizante. Los dos componentes se encuentran en un cartucho DUO-PACK para una más fácil y exacta dosificación.
Ambos componentes A y B se mezclan en el mezclador estático (EPX MX 5.4-17-S-5.1 de 3M Co.) acoplado al cartucho DUO-PACK que se monta sobre el aplicador de pistola EPX de forma que se mezcla exactamente 1 parte del componente A (acelerante en base amina) con 10 partes de componente B (resinas de metilmetacrilato y etilhexilmetacrilato) en volumen. El producto resultante de adhesión (resina curada) tiene una Tg = 34-38 ºC, con una dureza Shore D = 55 ºShD y un CTE = 6.6·10-6 in/in/ºC.
Las probetas de Al2024 y de PP-Goodfellow así tratadas se sometieron a un ciclo de secado escalonado y una vez secas se las sometió a adhesión con adhesivo líquido DP8005 y con adhesivo film de doble cara RP45 de 3M Co. Según la planificación para la adhesión que se citará seguidamente.
Después de mantener pinzadas e inmovilizadas las probetas de Al2024 (tratadas)-PP Goodfellow (tratadas), durante > 7 días, se someten a los ensayos que se describirán en el apartado de Resultados.
Los ensayos mecánicos se han realizado conforme a la norma UNE 53023, seleccionando para el ensayo de tracción-cizalla una velocidad de ensayo de 1 mm/min. El área de adhesión ha sido de 1 pulgada2.
El diseño de los ensayos de tracción-cizalla presentaron dificultades debido a la gran deformación plástica del film de PP-Goodfellow unido a las placas de Al, por lo que se realizó un estudio experimental que ha sido objeto de trabajo aparte presentado por los mismos autores en el XIV CNMAT, al que remitimos (2).
Los agentes químicos de tratamiento superficial (sobre el Al2024-T3 y sobre el PP-Goodfellow, que son los adherentes) utilizados después del Tratamiento mecánico son:
Acido nítrico, disolución al 30% wt., seguido de tratamiento con microondas 700W.; Acido fosfórico, disolución al 30% wt.;
Agentes de silanización a pH=4: Viniltrimetoxisilano (VTMSi);Trietoxisilano (TRIETSi); Dimetilclorosilano (DMClSi); Dimetildiclorosilano (DMDClSi); Triclorosilano (TRIClSi); Dipodal: Bis(trietoxisilil)etano (BISTRIETSiE). En todos los casos se estudió previamente la cinética de formación de silanoles (que son los agentes reales de silanización);
Agentes de maleinización (G3003) y (E43), dos PP-injertados con anhídrido maleico; Metacrilato de glicidilo (METACRIGLI); Imprimación con Primer-94(3M, Co.).
1º.- Se han tratado 8 placas de Al2024 con viniltrimetoxisilano al 5% wt. + ataque 5 min. + secado 3h. Seis de estas placas se han unido utilizando adhesivo 8005-3M con láminas de PP que se han sometido a los siguientes tratamientos:
Las 2 placas restantes se han unido al PP mediante filme adhesivo RP45-3M
h) Lámina de PP-Goodfellow maleinizado con E43 en xileno 5 min/secado 3h.
Siguiendo una distribución similar se han preparado:
2º 8 Placas de Al2024 tratadas con Dimetilclorosilano al 5%wt. +ataque 5 min. +secado 3h
3º 8 Placas de Al2024 tratadas con Trietoxisilano al 5%wt. +ataque 5 min. +secado 3h
4º 8 placas de Al2024 tratadas con [bis(trietoxisilil)etano] al 5%wt.+ataque 5 min.+secado 3h
5º 8 placas de Al2024 tratadas con [G3003 en xileno] al 5%wt + ataque 5 min. + secado 3h
6º.- 8 placas de Al2024 tratadas con [E43 en xileno] al 5%wt + ataque 5 min. +secado 3h
7º.- 8 placas de Al2024 tratadas por fosfatación al 30% + ataque 5 min. + secado 80ºC/3h
8º.- 8 placas de Al2024 tratadas con Primer 94-3M secado para unirla al PP mediante adhesivo 8005-3M
9º.- 8 placas de Al2024 tratadas con Metacrilato de glicidilo en acetona al 5%wt.+ataque 5 min.+ secado 80ºC/3h
Los resultados obtenidos en las medidas de rugosidad superficial (Ra, μm), para las probetas de Al2024 después de sometidas al Tratamiento Mecánico común (y antes de hacer tratamientos superficiales químicos) evidencian que la característica más destacable es la uniformidad obtenida y la baja rugosidad superficial, que se encuentra en el ámbito entre 0.1-0.5 μm.
Se han medido los valores de rugosidad superficial para las laminas de PP-Goodfellow (por ambas caras, “rugosa” y “brillante” así denominadas por su aspecto) antes de tratamiento con agentes químicos. El valor medio es 0,602 μm (con desviación estándar 0,245μm) para la cara rugosa y de 0,766μm (con desviación estándar 0,245μm) para la cara “brillante”. Una topografía superficial más rugosa, favorece el anclaje mecánico y aumenta el área superficial de adhesión entre sustrato y adhesión siempre que se alcance la compatibilidad adecuada en las interfases.
Con los valores de la estadística descriptiva para cada tratamiento, se han comparado los resultados de rugosidad obtenidos tras cada uno de los tratamientos, en la Tabla 1.
| Valores medios de Ra (µm) | ||
| Tratamiento superficial sobre PP | cara rugosa | cara brillante |
| PP-Goodfellow | 0.610 | 0.766 |
| c) PP-E43 | 0.613
|
0.713 |
| b) PP-G3003 b) | 0.750 | |
| d) PP-fosfatación | 0.640 | 0.783 |
| a) PP-acido nitrico | 0.748 | |
| f) PP-metacrilato de glicidilo | 0.451 | 0.598 |
| e) PP-Primer 94 | 0.916 | |
Como puede observarse el metacrilato de glicidilo conduce a superficies menos rugosas que las obtenidas mediante otros tratamientos (maleinización, oxidación con HNO3 seguido de microondas, fosfatación) probablemente como consecuencia de la deposición de metacrilato de glicidilo en los “valles” desde la disolución del agente con baja viscosidad. Los tratamientos inorgánicos (acido nítrico seguido de microondas y el tratamiento de fosfatación) han aumentado de forma considerable la rugosidad superficial, alrededor de un 30% sobre el PP-Goodfellow. Los tratamientos de maleinización (E-43, G-3003), también han sido capaces de aumentar en casi un 15% su rugosidad, si bien el G3003 ha conseguido una mayor rugosidad media que el E-43. El agente de imprimación comercial Primer 94 (3M,Co.) produce la mayor rugosidad aumentando la superficie del PP-Goodfellow en un 50%.
Se ha medido la energía libre superficial de las probetas de Al2024 después del tratamiento mecánico común (y antes de aplicar tratamiento químico superficial). El procedimiento empleado es el basado en el principio de humectación por líquidos de tensión superficial conocida (ISO 8296) y que ha sido previamente estudiado en un trabajo anterior de los autores [3]. Se han encontrado valores comprendidos entre 40.0–50.0 mN·m-1 que corresponden a superficies poco hidrofóbicas, de las placas de Al2024.
Se ha medido la energía libre superficial de las probetas de PP-Goodfellow por ambas caras, la que se ha denominado “cara rugosa” y la llamada “cara brillante” (que es la opuesta). El procedimiento empleado es el basado en el principio de humectación por líquidos de tensión superficial conocida (ISO 8296). Los resultados se hallan comprendidos entre 28-29 mN·m-1 para ambas caras de PP-Goodfellow. Estos valores corresponden a sustancias de baja energía libre superficial (superficies hidrofóbicas), tal como corresponde al PP (que es una poliolefina). Posteriormente se determinarán las componentes polar y dispersiva mediante la medida de ángulos de contacto (Método Owen/Zismann/Wu).
El adhesivo acrílico, con el cual queremos adherir el PP, tiene como componente base un metacrilato, cuyo grupo funcional tiene carácter polar. Los tratamientos orgánicos (E-43, G-3003, METACRIGLI y PRIMER 94) presentan grupos polares, que provocan el aumento de la tensión superficial del PP-Goodfellow. Los tratamientos de origen inorgánico (fosfatación y acido nítrico), también poseen grupos polares, que evidentemente deben de aumentar su tensión superficial.
De los dos tratamientos de maleinización se observa que el tratamiento con E-43 conduce a valores que se encuentran entre 0.2-0.4 μm, mientras que con el tratamiento con G-3003 los valores se encuentran entre 0.2-0.3 μm. Parece que el agente de maleinización G-3003 conduce a menor rugosidad superficial que el E-43, lo que es coherente con el aspecto superficial de las probetas después del tratamiento, pudiendo unirse el material Al2024 al PP-Goodfellow a través de uniones maleico. Esto lo hemos podido comprobar en otros proyectos y quizá debe atribuirse a su mayor peso molecular ( 40000 D para G-3003 y 3900 D para el E-43) junto con su menor número ácido ( 7 mg KOH/g para el G3003 y 47 mg KOH/g para el E43). Además se espera que el maleico favorezca la unión con el adhesivo (acrílico en el caso del DP8005).
El tratamiento del Al2024 mediante fosfatación es un tratamiento superficial que produce una pasivación frente a la oxidación por formación de una capa de fosfato. Se puede observar que el ácido fosfórico produce un ataque con formación de fosfatos de color oscuro y la medida de rugosidad superficial conduce a valores comprendidos entre 0.3-0.8 μm, es decir valores de rugosidad superficial mayores que los obtenidos por silanización y maleinización.
El tratamiento superficial con metacrilato de glicidilo conduce a valores de rugosidad comprendidos entre 0.16-0.41 μm, comparable con los valores de rugosidad del agente de silanización TRIETSi.
El tratamiento superficial con el Primer 94 ( de 3M Co.) conduce a valores elevados de rugosidad comprendidos entre 0.35-0.55 μm y la deposición es bastante uniforme sobre el Al2024. La rugosidad resultante del tratamiento con Primer 94 es comparable a la que se obtiene con el reactivo de silanización VTMSi y con el BISTRIETSi.
Los dos tratamientos de maleinización del Al2024 llevados a cabo conducen a resultados de energía libre superficial semejantes, ya que lo que debe haber sucedido en ambos casos es la unión de PP a través de las unidades de maleico injertadas en el G3003 y en el E43. Los valores de energía libre superficial con E43 como agente de maleinización se encuentran entre 31.0-33.0 mN·m-1 (con valor medio de 32.0 mN·m-1) mientras que con G-3003 como agente de maleinización es sistemáticamente 31.0 mN·m-1. La causa probablemente esté relacionada con que las cadenas de PP que se unen con el G-3003 son más hidrofóbicas al tener mayor peso molecular que las de E-43. La reducción en la energía libre por maleinización es notable.
El tratamiento de fosfatación del Al2024 conduce a valores de tensión superficial de 34.0-38.0 mN·m-1. Se logra así una reducción en la tensión superficial menor que con los otros tratamientos (silanización, maleinización) lo cual es razonable ya que como resultado de la fosfatación deben formarse especies polares superficiales, como se evidencia en el FTIR.
El tratamiento con metacrilato de glicidilo sobre Al2024 conduce a valores de tensión superficial de 38.0-40.0 mN·m-1. También se consigue una reducción en la tensión superficial desde 46.0-48.0 mN·m-1 menor que con otros tratamientos (silanización, maleinización e incluso fosfatación). Probablemente este resultado se debe a la formación de grupos acrílicos superficiales, formados por hidrólisis del metacrilato, y por otro lado, a la formación de grupos –OH formados por protonación de grupos glicidilo, tal como se aprecia en los espectros FTIR.
El tratamiento del Al2024 con Primer 94 (3M Co) conduce a valores de tensión superficial de 30.0-31.0 mN·m-1, por tanto una considerable reducción en la tensión superficial (desde los 46.0-50.0 mN·m-1). La energía libre superficial del tratamiento con Primer 94 no alcanza a ser tan baja como la que se obtiene por silanización con VTMSi y DMClSi. Por tanto el tratamiento con Primer 94 dota de mayor hidrofobicidad a la superficie de Al2024 que los de fosfatación clásicos.
Por el momento no se ha considerado procedente medir las tensiones superficiales de las probetas PP-Goodfellow después del tratamiento con agentes químicos al entender que debido a la hidrofobicidad del PP no variarán sensiblemente los valores de tensión superficial del PP-Goodfellow de partida (que son entre 28.0 - 30.0 mN·m-1, por tanto altamente hidrofóbicos).
Se han realizado los espectros FTIR-ATR correspondientes a 8 barridos promediados sobre diferentes puntos, de las dos caras de las láminas de PP-Goodfellow. Las bandas de absorción se superponen a lo largo de todo el espectro infrarrojo y no parece haber bandas diferenciadoras que indiquen diferencias por el tratamiento superficial. Las bandas del espectro FTIR parecen indicar la existencia de grupos metilo y metileno propios de un polipropileno natural (en todo caso la banda ancha y de poca intensidad que aparece hacia 3205.2 cm-1 podría estar asociada a vibraciones de estiramiento N-H procedentes de alguna amina utilizada como antioxidante/estabilizante en la formulación, irrelevante para este trabajo.
Debido a la limitación de espacio no se pueden incluir los registros FTIR-ATR y la identificación exahustiva de las bandas resultantes correspondientes a los tratamientos químicos superficiales con PP-g-MAH(G3003); con PP-g-MAH(E-43);con la disolución de ácido fosfórico;con metacrilato de glicidilo y con Primer 94( 3M, Co.) sobre el aluminio. En todos los casos se han obtenido evidencias de la existencia de los respectivos grupos funcionales sobre la superficie, por lo que se consideran satisfactorios estos tratamientos.
Por la razón argumentada en el epígrafe anterior no es posible incluir los registros FTIR-ATR y la identificación de las bandas; se resume la discusión diciendo que se han encontrado evidencias de la existencia de grupos funcionales procedentes de los tratamientos químicos con disolución de ácido nítrico seguido de microondas; de la acción de la disolución de ácido fosfórico; de la maleinización con PP-g-MAH (tanto con E-43 como con G3003), con Primer 94 (de 3M Co.) y con metacrilato de glicidilo.
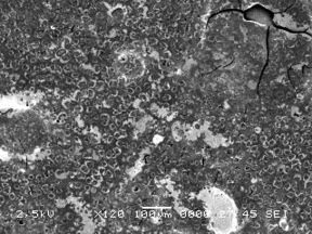
En la Figura 1 se recogen las probetas de Al tratado químicamente con los distintos agentes (a) y a modo de ejemplo la micrografía SEM del tratado con disolución de ac. Fosfórico (b) y Primer-94 (Fig.2a). Debajo Fig.2 (b) se encuentra la micro SEM del PP tratado con Primer-94. Se han analizado micros de ambos adherentes tratados con los agentes citados en la Metodología Experimental
(a) (b)
| |
(a) (b)
| |
Mediante la medida de ángulos de contacto, se pueden obtener resultados precisos de la componente polar y dispersiva de la energía libre superficial. No es posible hacer una exposición de la técnica de evaluación dado el limitado espacio disponible, por lo que a modo de ejemplo se mencionarán algunas de las placas de Al tratadas con diferentes agentes químicos con el fin de apreciar las magnitudes de las componentes:
1.- Se ha podido demostrar que el tratamiento mecánico común que se cita, es eficaz y conduce a rugosidades superficiales de alta calidad, homogéneo y repetitivo, con tensión superficial 40-50 mN·m-1.
2.- Se ha podido demostrar que los tratamientos químicos de: maleinización mediante PP-g-MAH con E-43 como con G3003 conduce valores de rugosidad 0,2-0,4 μm y tensión superficial 31-33 mN·m-1; el tratamiento con disolución de ácido nítrico seguido de microondas la rugosidad es 0,748 μm y con disolución de ácido fosfórico la rugosidad es 0,3-0,8 μm y la tensión superficial 34-38 mN·m-1; con imprimación Primer-94 la rugosidad es 0,35-0,45 μm y la tensión superficial es 38-40 mN·m-1 y con metacrilato de glicidilo la rugosidad ha sido 0,16-0,41 μm y la tensión superficial de 38-40 mN·m-1; en todos los casos son adecuados para la adhesión y modifican de forma identificable las superficies.
3.- Es posible caracterizar las energías libres superficiales mediante la técnica de humectación y ésta puede correlacionarse con técnicas instrumentales más precisas (como las basadas en ángulos de contacto) que evalúan las componentes polar y dispersiva. La modificación superficial es evidente a través de la espectroscopía FTIR-ATR y mediante las micrografías de SEM.
Los autores desean agradecer la ayuda económica para la realización del trabajo a través del proyecto del MINECO-2013 (MAT- 2013-47031-C2-1-R) titulado “Estudio de la adherencia en laminados hibridos Aluminio-polipropileno fibra de vidrio”.
[1] Valea, A.; Juanes, F.J.; Corcuera, Mª A.; Astigarraga, V.; González, M.L.;”Tratamientos superficiales de silanización para mejorar la adhesión de superficies aluminio-polipropileno”.Proceed. Matcomp-2017(2017)
[2] Valea, A.; González, M.L.; “Estudio de la conducta de diferentes uniones adhesivas entre filmes de polipropileno y Al2024 tratados superficialmente”. Proceed. Actas XIV CNMAT(2016).
[3] Valea, A.; González, M.L.(Directores del TFG). Trabajo Fin de Grado de Ing. Rocío Meléndez. Escuela Ingeniería de Bilbao (curso 2013-14).
Published on 20/01/19
Accepted on 20/01/19
Submitted on 20/01/19
Volume 03 - Comunicaciones Matcomp17 (2019), Issue Núm. 1 - Materiales (2), 2019
DOI: 10.23967/r.matcomp.2019.01.020
Licence: Other
Are you one of the authors of this document?