Resumen

Los modelos de gradiente basados en desplazamientos suavizados son una alternativa a los modelos estándares para simular numéricamente el proceso de fallo de materiales. En esta formulación alternativa coexisten los campos de desplazamientos mecánicos u con los desplazamientos suavizados Failed to parse (MathML with SVG or PNG fallback (recommended for modern browsers and accessibility tools): Invalid response ("Math extension cannot connect to Restbase.") from server "https://mathoid.scipedia.com/localhost/v1/":): {\textstyle \tilde{\boldsymbol{u}}}

, que se obtienen de solucionar una ecuación de difusión-reacción. Análogamente a los modelos de regularización estándares, prescribir condiciones de contorno en esta formulación alternativa es un problema abierto. Sin embargo, imponer estas condiciones para el campo de desplazamientos (en lugar de la variable de estado interna) presenta ciertas facilidades. El objetivo de este trabajo es estudiar la influencia de dichas condiciones: ni las condiciones de Dirichlet (prescritas en un principio) ni las condiciones de Neumann homogéneas (reminiscencia de los modelos de gradiente estándares) permiten obtener resultados numéricos realistas; mediante las condiciones de contorno de Neumann no homogéneas, en cambio, los resultados son físicamente admisibles. Sin embargo, estas condiciones no aseguran conservación de volumen, que es una propiedad interesante en algunos modelos constitutivos. Por este motivo, se proponen unas nuevas condiciones de contorno (condiciones combinadas) que satisfacen las propiedades necesarias para la regularización: (a) reproducibilidad de orden 1 (Failed to parse (MathML with SVG or PNG fallback (recommended for modern browsers and accessibility tools): Invalid response ("Math extension cannot connect to Restbase.") from server "https://mathoid.scipedia.com/localhost/v1/":): {\textstyle \boldsymbol{u}=\tilde{\boldsymbol{u}}}
 si u  es un campo lineal), (b) desplazamientos suavizados a lo largo del contorno y (c) conservación de volumen. En este trabajo se han llevado a cabo varios ensayos numéricos bidimensionales con el fin de ilustrar la influencia de las distintas condiciones de contorno.

Abstract

Gradient-enhanced models based on regularised displacements are an alternative to standard models in order to simulate material failure. In this alternative formulation, mechanical displacements u coexist with smoothed displacements Failed to parse (MathML with SVG or PNG fallback (recommended for modern browsers and accessibility tools): Invalid response ("Math extension cannot connect to Restbase.") from server "https://mathoid.scipedia.com/localhost/v1/":): {\textstyle \tilde{\boldsymbol{u}}}

, which are the solution of a diffusion-reaction equation. Analogously to regularised standard models, prescribing boundary conditions in this alternative formulation is an open problem. Nevertheless, imposing these conditions for the displacement field (rather than the internal state variable) seems to be easier to interpret. The goal of this work is to study the influence of these conditions: neither Dirichlet conditions (prescribed at the beginning) nor homogeneous Neumann conditions (reminiscence of standard gradient models) allow to obtain realistic numerical results; on the other hand, by means of non-homogeneous Neumann boundary conditions, these results are physically admissible. However, these conditions do not ensure volume conservation, which is an interesting property in some constitutive models. Hence, new conditions (combined conditions) are proposed. These satisfy the necessary properties for regularisation: (a) reproducibility of order 1 (Failed to parse (MathML with SVG or PNG fallback (recommended for modern browsers and accessibility tools): Invalid response ("Math extension cannot connect to Restbase.") from server "https://mathoid.scipedia.com/localhost/v1/":): {\textstyle \boldsymbol{u}=\tilde{\boldsymbol{u}}}
 if u  is a linear field), (b) displacement smoothing along the boundary and (c) volume preservation. In this work various two-dimensional numerical tests are carried out in order to illustrate the influence of the different boundary conditions.  

Palabras clave

Regularización ; Modelos de gradiente ; Desplazamientos suavizados ; Condiciones de contorno

Keywords

Regularisation ; Gradient-enhanced models ; Smoothed displacements ; Boundary conditions

1. Introducción

Los modelos continuos de daño locales, caracterizados por una ley de tensión-deformación con reblandecimiento, no permiten reproducir correctamente la energía disipada durante el proceso de fallo de materiales cuasi-frágiles. Numéricamente, los resultados presentan una dependencia patológica de la malla de elementos finitos empleada en las simulaciones: a medida que la malla se refina, la energía disipada durante el proceso tiende a 0 [1] .

Para solventar esta dependencia patológica, y con el fin de obtener soluciones numéricas físicamente realistas, se pueden usar distintas técnicas [2] . Se puede utilizar, por ejemplo, un modelo de fisura cohesiva [3] , donde el reblandecimiento se describe mediante una ley de tracción-separación y se admiten desplazamientos discontinuos [4] . También se puede emplear un modelo de banda de fisura [5] , donde el módulo de reblandecimiento se define en función del tamaño del elemento finito [6] . Por último, se pueden utilizar modelos regularizados [7] . En estos, se introducen una variable no local y un parámetro denominado longitud característica, que evitan que las deformaciones localicen en una línea y dan lugar a un proceso cuya energía disipada es no nula [8] . Típicamente, la variable no local que regulariza el problema es la variable de estado, aunque existen también otras posibilidades [9] . Dentro de los modelos regularizados, se incluyen formulaciones integrales [10]  and [11] y formulaciones de gradiente [12]  and [13] . Las formulaciones integrales, cuya variable no local en un punto se define como el promedio ponderado de la variable local en un entorno de dicho punto, presentan dificultades en puntos cercanos al contorno [14] . Como alternativa a estas descripciones, se usan generalmente las formulaciones de gradiente. En estas, la regularización se consigue añadiendo derivadas de orden superior a la ecuación en derivadas parciales que describe la evolución de la variable no local. Así pues, desde un punto de vista matemático, son modelos locales. Sin embargo, la principal desventaja de estos métodos consiste en plantear el problema de contorno: en los modelos de gradiente, dada la ecuación de regularización, imponer condiciones de contorno adecuadas sigue siendo un problema abierto.

En este artículo, se utiliza un modelo de regularización de gradiente basado en desplazamientos suavizados [15] . El objetivo de este trabajo es estudiar la influencia de distintas condiciones de contorno: debido a la dificultad de regularizar el problema que presentan las condiciones de contorno de Dirichlet o de Neumann, se propone aquí un nuevo problema de contorno que satisface las propiedades deseadas para la regularización.

La estructura del artículo es la siguiente. En el apartado 2 , se hace un breve repaso a los modelos de gradiente. En particular, se presentan las principales características de los modelos estándares de daño poniendo especial énfasis en las condiciones de contorno para el problema de regularización. En el apartado 3 , se analiza el modelo de daño basado en desplazamientos suavizados. Está organizado de la siguiente manera: en 3.1 , se repasa brevemente la ecuación de regularización; en 3.2 , se presentan distintas condiciones de contorno y en 3.3 , se llevan a cabo distintos ensayos con la finalidad de analizar su influencia. Finalmente, en el apartado 4 se presentan las conclusiones de este trabajo.

2. Modelos de daño

Por simplicidad, en este trabajo solo se consideran modelos de daño escalar. Sin embargo, el modelo de gradiente basado en desplazamientos suavizados se puede extender fácilmente a otros modelos como el de plasticidad [16] .

En los modelos regularizados estándares, la variable que incorpora la regularización es la variable de estado Y . En las formulaciones de gradiente implícitas ( tabla 1 ), que pueden ser consideradas como una aproximación de las integrales, la variable de estado Failed to parse (MathML with SVG or PNG fallback (recommended for modern browsers and accessibility tools): Invalid response ("Math extension cannot connect to Restbase.") from server "https://mathoid.scipedia.com/localhost/v1/":): {\textstyle \tilde{Y}}

 es la solución de la ecuación de difusión-reacción

Failed to parse (MathML with SVG or PNG fallback (recommended for modern browsers and accessibility tools): Invalid response ("Math extension cannot connect to Restbase.") from server "https://mathoid.scipedia.com/localhost/v1/":): \tilde{Y}\left(\boldsymbol{x},t\right)-{l}^2{\nabla }^2\tilde{Y}\left(\boldsymbol{x},t\right)=

Failed to parse (MathML with SVG or PNG fallback (recommended for modern browsers and accessibility tools): Invalid response ("Math extension cannot connect to Restbase.") from server "https://mathoid.scipedia.com/localhost/v1/":): Y\left(\boldsymbol{x},t\right)

( 1)

donde el parámetro ℓ que acompaña al término de difusión tiene dimensión de longitud.

Tabla 1. Modelo de gradiente estándar (formulación de daño): ecuaciones genéricas.
Variable Ecuación
Tensión Failed to parse (MathML with SVG or PNG fallback (recommended for modern browsers and accessibility tools): Invalid response ("Math extension cannot connect to Restbase.") from server "https://mathoid.scipedia.com/localhost/v1/":): {\textstyle \boldsymbol{\sigma }\left(\boldsymbol{x},t\right)=}

Failed to parse (MathML with SVG or PNG fallback (recommended for modern browsers and accessibility tools): Invalid response ("Math extension cannot connect to Restbase.") from server "https://mathoid.scipedia.com/localhost/v1/":): \left(1-D\left(\boldsymbol{x},t\right)\right)\quad \boldsymbol{\mbox{C}}:\boldsymbol{\varepsilon }\left(\boldsymbol{x},t\right)

Deformación Failed to parse (MathML with SVG or PNG fallback (recommended for modern browsers and accessibility tools): Invalid response ("Math extension cannot connect to Restbase.") from server "https://mathoid.scipedia.com/localhost/v1/":): {\textstyle \boldsymbol{\varepsilon }\left(\boldsymbol{x},t\right)=}

Failed to parse (MathML with SVG or PNG fallback (recommended for modern browsers and accessibility tools): Invalid response ("Math extension cannot connect to Restbase.") from server "https://mathoid.scipedia.com/localhost/v1/":): {\nabla }^s\boldsymbol{u}\left(\boldsymbol{x},t\right)

Variable de estado Failed to parse (MathML with SVG or PNG fallback (recommended for modern browsers and accessibility tools): Invalid response ("Math extension cannot connect to Restbase.") from server "https://mathoid.scipedia.com/localhost/v1/":): {\textstyle Y\left(\boldsymbol{x},t\right)=}

Failed to parse (MathML with SVG or PNG fallback (recommended for modern browsers and accessibility tools): Invalid response ("Math extension cannot connect to Restbase.") from server "https://mathoid.scipedia.com/localhost/v1/":): Y\left(\boldsymbol{\varepsilon }\left(\boldsymbol{x},t\right)\right)

Variable de estado suavizada Failed to parse (MathML with SVG or PNG fallback (recommended for modern browsers and accessibility tools): Invalid response ("Math extension cannot connect to Restbase.") from server "https://mathoid.scipedia.com/localhost/v1/":): {\textstyle \tilde{Y}\left(\boldsymbol{x},t\right)-}

Failed to parse (MathML with SVG or PNG fallback (recommended for modern browsers and accessibility tools): Invalid response ("Math extension cannot connect to Restbase.") from server "https://mathoid.scipedia.com/localhost/v1/":): {l}^2{\nabla }^2\tilde{Y}\left(\boldsymbol{x},t\right)= Failed to parse (MathML with SVG or PNG fallback (recommended for modern browsers and accessibility tools): Invalid response ("Math extension cannot connect to Restbase.") from server "https://mathoid.scipedia.com/localhost/v1/":): Y\left(\boldsymbol{x},t\right)

Daño Failed to parse (MathML with SVG or PNG fallback (recommended for modern browsers and accessibility tools): Invalid response ("Math extension cannot connect to Restbase.") from server "https://mathoid.scipedia.com/localhost/v1/":): {\textstyle D\left(\boldsymbol{x},t\right)=}

Failed to parse (MathML with SVG or PNG fallback (recommended for modern browsers and accessibility tools): Invalid response ("Math extension cannot connect to Restbase.") from server "https://mathoid.scipedia.com/localhost/v1/":): D(\tilde{Y})

2.1. Condiciones de contorno para la ecuación de regularización

En los modelos de gradiente, es necesario imponer condiciones de contorno a la ecuación de regularización (1) . Debido a la dificultad de prescribir el valor de la variable interna Failed to parse (MathML with SVG or PNG fallback (recommended for modern browsers and accessibility tools): Invalid response ("Math extension cannot connect to Restbase.") from server "https://mathoid.scipedia.com/localhost/v1/":): {\textstyle \tilde{Y}}

 en el contorno (condiciones esenciales), por conveniencia desde un punto de vista matemático y por analogía con las condiciones de contorno sugeridas por Mühlhaus y Aifantis en [18]  para el modelo de plasticidad, típicamente [13]  and [19]  se han prescrito condiciones de contorno de Neumann homogéneas

Failed to parse (MathML with SVG or PNG fallback (recommended for modern browsers and accessibility tools): Invalid response ("Math extension cannot connect to Restbase.") from server "https://mathoid.scipedia.com/localhost/v1/":): \nabla \tilde{Y}\cdot \boldsymbol{n}=0\quad en\quad \partial \Omega
( 2)

donde n es el vector normal unitario exterior a ∂Ω .

Sin embargo, en la literatura se ha debatido ampliamente su interpretación física. Usando el teorema de la divergencia, por ejemplo, en [19] se observa que esta condición implica que la cantidad total de deformación se mantiene constante a pesar de la regularización:

Failed to parse (MathML with SVG or PNG fallback (recommended for modern browsers and accessibility tools): Invalid response ("Math extension cannot connect to Restbase.") from server "https://mathoid.scipedia.com/localhost/v1/":): {\int }_{\Omega }\tilde{Y}\quad d\Omega ={\int }_{\Omega }Y\quad d\Omega \quad en\quad \partial \Omega
( 3)

En [20] estas condiciones se interpretan desde un punto de vista termodinámico: las condiciones de contorno de Neumann homogéneas garantizan que los efectos de la regularización no se propaguen a través del contorno del dominio (condición de aislamiento). En [21] , en cambio, las condiciones de contorno (2) no se prescriben a priori sino que se obtienen de forma natural mediante un análisis variacional estándar.

3. Modelo de daño basado en desplazamientos suavizados

3.1. Modelo de gradiente

En el modelo de gradiente formulado a partir de desplazamientos regularizados (tabla 2 ), coexisten dos tipos distintos de desplazamientos: (a) los desplazamientos estándares o mecánicos u y (b) los desplazamientos regularizados o suavizados Failed to parse (MathML with SVG or PNG fallback (recommended for modern browsers and accessibility tools): Invalid response ("Math extension cannot connect to Restbase.") from server "https://mathoid.scipedia.com/localhost/v1/":): {\textstyle \tilde{\boldsymbol{u}}}

, que se obtienen resolviendo una ecuación en derivadas parciales (EDP), siendo u  su término fuente. Esta EDP de regularización es la ecuación de difusión-reacción

Failed to parse (MathML with SVG or PNG fallback (recommended for modern browsers and accessibility tools): Invalid response ("Math extension cannot connect to Restbase.") from server "https://mathoid.scipedia.com/localhost/v1/":): \tilde{\boldsymbol{u}}\left(\boldsymbol{x},t\right)-

Failed to parse (MathML with SVG or PNG fallback (recommended for modern browsers and accessibility tools): Invalid response ("Math extension cannot connect to Restbase.") from server "https://mathoid.scipedia.com/localhost/v1/":): {l}^2{\nabla }^2\tilde{\boldsymbol{u}}\left(\boldsymbol{x},t\right)= Failed to parse (MathML with SVG or PNG fallback (recommended for modern browsers and accessibility tools): Invalid response ("Math extension cannot connect to Restbase.") from server "https://mathoid.scipedia.com/localhost/v1/":): \boldsymbol{u}\left(\boldsymbol{x},t\right)

( 4)

donde el parámetro ℓ tiene la misma dimensión que en el modelo de gradiente estándar.

Tabla 2. Modelo de gradiente con desplazamientos suavizados (formulación de daño): ecuaciones genéricas.
Variable Ecuación
Ley constitutiva Failed to parse (MathML with SVG or PNG fallback (recommended for modern browsers and accessibility tools): Invalid response ("Math extension cannot connect to Restbase.") from server "https://mathoid.scipedia.com/localhost/v1/":): {\textstyle \boldsymbol{\sigma }\left(\boldsymbol{x},t\right)=}

Failed to parse (MathML with SVG or PNG fallback (recommended for modern browsers and accessibility tools): Invalid response ("Math extension cannot connect to Restbase.") from server "https://mathoid.scipedia.com/localhost/v1/":): \left(1-D\left(\boldsymbol{x},t\right)\right)\quad \boldsymbol{\mbox{C}}:\boldsymbol{\varepsilon }\left(\boldsymbol{x},t\right)

Deformaciones Failed to parse (MathML with SVG or PNG fallback (recommended for modern browsers and accessibility tools): Invalid response ("Math extension cannot connect to Restbase.") from server "https://mathoid.scipedia.com/localhost/v1/":): {\textstyle \boldsymbol{\varepsilon }\left(\boldsymbol{x},t\right)=}

Failed to parse (MathML with SVG or PNG fallback (recommended for modern browsers and accessibility tools): Invalid response ("Math extension cannot connect to Restbase.") from server "https://mathoid.scipedia.com/localhost/v1/":): {\nabla }^s\boldsymbol{u}\left(\boldsymbol{x},t\right)

Desplazamientos suavizados Failed to parse (MathML with SVG or PNG fallback (recommended for modern browsers and accessibility tools): Invalid response ("Math extension cannot connect to Restbase.") from server "https://mathoid.scipedia.com/localhost/v1/":): {\textstyle \tilde{\boldsymbol{u}}\left(\boldsymbol{x},t\right)-}

Failed to parse (MathML with SVG or PNG fallback (recommended for modern browsers and accessibility tools): Invalid response ("Math extension cannot connect to Restbase.") from server "https://mathoid.scipedia.com/localhost/v1/":): {l}^2{\nabla }^2\tilde{\boldsymbol{u}}\left(\boldsymbol{x},t\right)= Failed to parse (MathML with SVG or PNG fallback (recommended for modern browsers and accessibility tools): Invalid response ("Math extension cannot connect to Restbase.") from server "https://mathoid.scipedia.com/localhost/v1/":): \boldsymbol{u}\left(\boldsymbol{x},t\right)

Deformaciones suavizadas Failed to parse (MathML with SVG or PNG fallback (recommended for modern browsers and accessibility tools): Invalid response ("Math extension cannot connect to Restbase.") from server "https://mathoid.scipedia.com/localhost/v1/":): {\textstyle \tilde{\boldsymbol{\varepsilon }}\left(\boldsymbol{x},t\right)=}

Failed to parse (MathML with SVG or PNG fallback (recommended for modern browsers and accessibility tools): Invalid response ("Math extension cannot connect to Restbase.") from server "https://mathoid.scipedia.com/localhost/v1/":): {\nabla }^s\tilde{\boldsymbol{u}}\left(\boldsymbol{x},t\right)

Variable de estado suavizada Failed to parse (MathML with SVG or PNG fallback (recommended for modern browsers and accessibility tools): Invalid response ("Math extension cannot connect to Restbase.") from server "https://mathoid.scipedia.com/localhost/v1/":): {\textstyle \tilde{Y}\left(\boldsymbol{x},t\right)=}

Failed to parse (MathML with SVG or PNG fallback (recommended for modern browsers and accessibility tools): Invalid response ("Math extension cannot connect to Restbase.") from server "https://mathoid.scipedia.com/localhost/v1/":): Y\left(\tilde{\boldsymbol{\varepsilon }}\left(\boldsymbol{x},t\right)\right)

Daño Failed to parse (MathML with SVG or PNG fallback (recommended for modern browsers and accessibility tools): Invalid response ("Math extension cannot connect to Restbase.") from server "https://mathoid.scipedia.com/localhost/v1/":): {\textstyle D\left(\boldsymbol{x},t\right)=}

Failed to parse (MathML with SVG or PNG fallback (recommended for modern browsers and accessibility tools): Invalid response ("Math extension cannot connect to Restbase.") from server "https://mathoid.scipedia.com/localhost/v1/":): D(\tilde{Y})

3.2. Condiciones de contorno para la ecuación de regularización

En el modelo de gradiente con desplazamientos suavizados, las condiciones de contorno parecen más fáciles de interpretar que en los modelos de gradiente estándares, pues se deben prescribir condiciones para los desplazamientos y no para variables internas como la variable de estado. En esta formulación alternativa, una opción natural consiste en prescribir condiciones de contorno esenciales o de Dirichlet [15] :

Failed to parse (MathML with SVG or PNG fallback (recommended for modern browsers and accessibility tools): Invalid response ("Math extension cannot connect to Restbase.") from server "https://mathoid.scipedia.com/localhost/v1/":): \tilde{\boldsymbol{u}}=\boldsymbol{u}\quad en\quad \partial \Omega
( 5)

Físicamente, estas condiciones de contorno se pueden interpretar de forma clara: los dos campos de desplazamientos que coexisten en el modelo deben coincidir a lo largo de todo el contorno (es decir, tanto para el contorno de Dirichlet como el contorno de Neumann del problema mecánico). Estas condiciones de contorno permiten regularizar el problema unidimensional [15] . Sin embargo, en problemas multidimensionales, la condición Failed to parse (MathML with SVG or PNG fallback (recommended for modern browsers and accessibility tools): Invalid response ("Math extension cannot connect to Restbase.") from server "https://mathoid.scipedia.com/localhost/v1/":): {\textstyle \tilde{\boldsymbol{u}}=\boldsymbol{u}}

 en el contorno puede tener el efecto negativo de no admitir campos de desplazamientos suaves. Este efecto, especialmente negativo en problemas donde el daño empieza en el contorno, puede implicar un estrechamiento de la zona de daño, como se observa en [17] , [22]  y [23] .      

Con la finalidad de evitar este comportamiento patológico, y por analogía con el problema de regularización estándar, se pueden prescribir condiciones de contorno de Neumann homogéneas

Failed to parse (MathML with SVG or PNG fallback (recommended for modern browsers and accessibility tools): Invalid response ("Math extension cannot connect to Restbase.") from server "https://mathoid.scipedia.com/localhost/v1/":): \nabla \tilde{\boldsymbol{u}}\cdot \boldsymbol{n}=

Failed to parse (MathML with SVG or PNG fallback (recommended for modern browsers and accessibility tools): Invalid response ("Math extension cannot connect to Restbase.") from server "https://mathoid.scipedia.com/localhost/v1/":): 0\quad en\quad \partial \Omega

( 6)

Estas condiciones permiten que los desplazamientos puedan suavizarse a lo largo del contorno. Sin embargo, no satisfacen otra de las propiedades deseadas para la regularización: en modelos regularizados estándares, es necesario prescribir condiciones de contorno que permitan la reproducibilidad de funciones constantes, es decir, si la variable de estado Y   es constante, Failed to parse (MathML with SVG or PNG fallback (recommended for modern browsers and accessibility tools): Invalid response ("Math extension cannot connect to Restbase.") from server "https://mathoid.scipedia.com/localhost/v1/":): {\textstyle Y=\tilde{Y}}

 debe ser solución de la ecuación de regularización, permitiendo así que a partir de campos de deformaciones ɛ  constantes se obtengan campos de tensiones σ  constantes. En la formulación alternativa basada en desplazamientos suavizados, teniendo en cuenta que ɛ  = ∇ su , debe garantizarse la reproducibilidad de orden 1, es decir, si el campo de desplazamientos u  es lineal, Failed to parse (MathML with SVG or PNG fallback (recommended for modern browsers and accessibility tools): Invalid response ("Math extension cannot connect to Restbase.") from server "https://mathoid.scipedia.com/localhost/v1/":): {\textstyle \tilde{\boldsymbol{u}}=\boldsymbol{u}}
 debe ser solución del problema de contorno. No obstante, mediante las condiciones de contorno de Neumann homogéneas (6) , esta no es la solución, pudiéndose ocasionar así daño espurio a lo largo del contorno. En efecto, dado que las condiciones de contorno de Neumann homogéneas mantienen desacoplada la resolución de la ecuación de regularización para las componentes del campo vectorial, y considerando el campo lineal
Failed to parse (MathML with SVG or PNG fallback (recommended for modern browsers and accessibility tools): Invalid response ("Math extension cannot connect to Restbase.") from server "https://mathoid.scipedia.com/localhost/v1/":): u(\boldsymbol{x})=a+\boldsymbol{B}\boldsymbol{x}=a+

Failed to parse (MathML with SVG or PNG fallback (recommended for modern browsers and accessibility tools): Invalid response ("Math extension cannot connect to Restbase.") from server "https://mathoid.scipedia.com/localhost/v1/":): b_xx+b_yy,

( 7)

Failed to parse (MathML with SVG or PNG fallback (recommended for modern browsers and accessibility tools): Invalid response ("Math extension cannot connect to Restbase.") from server "https://mathoid.scipedia.com/localhost/v1/":): {\textstyle \tilde{u}(\boldsymbol{x})=u(\boldsymbol{x})=} Failed to parse (MathML with SVG or PNG fallback (recommended for modern browsers and accessibility tools): Invalid response ("Math extension cannot connect to Restbase.") from server "https://mathoid.scipedia.com/localhost/v1/":): a+\boldsymbol{B}\boldsymbol{x}

 no es solución del problema de regularización, ya que la condición de contorno
Failed to parse (MathML with SVG or PNG fallback (recommended for modern browsers and accessibility tools): Invalid response ("Math extension cannot connect to Restbase.") from server "https://mathoid.scipedia.com/localhost/v1/":): \nabla \tilde{u}\cdot \boldsymbol{n}=(b_x,b_y)\cdot \boldsymbol{n}=

Failed to parse (MathML with SVG or PNG fallback (recommended for modern browsers and accessibility tools): Invalid response ("Math extension cannot connect to Restbase.") from server "https://mathoid.scipedia.com/localhost/v1/":): 0

( 8)

no se satisface para (a , B ) arbitrarios.

Para solventar las dos dificultades mencionadas hasta este momento (regularización a lo largo del contorno y reproducibilidad de orden 1), en [17] se imponen condiciones de contorno de Neumann no homogéneas

Failed to parse (MathML with SVG or PNG fallback (recommended for modern browsers and accessibility tools): Invalid response ("Math extension cannot connect to Restbase.") from server "https://mathoid.scipedia.com/localhost/v1/":): \nabla \tilde{\boldsymbol{u}}\cdot \boldsymbol{n}=

Failed to parse (MathML with SVG or PNG fallback (recommended for modern browsers and accessibility tools): Invalid response ("Math extension cannot connect to Restbase.") from server "https://mathoid.scipedia.com/localhost/v1/":): \nabla \boldsymbol{u}\cdot \boldsymbol{n}\quad en\quad \partial \Omega

( 9)

Sin embargo, mediante estas condiciones no se asegura conservación de volumen. En efecto, suponiendo densidad constante y usando el teorema de la divergencia, se tiene

Failed to parse (MathML with SVG or PNG fallback (recommended for modern browsers and accessibility tools): Invalid response ("Math extension cannot connect to Restbase.") from server "https://mathoid.scipedia.com/localhost/v1/":): 0={\int }_{\Omega }\nabla \cdot \left(\tilde{\boldsymbol{u}}-\right.

Failed to parse (MathML with SVG or PNG fallback (recommended for modern browsers and accessibility tools): Invalid response ("Math extension cannot connect to Restbase.") from server "https://mathoid.scipedia.com/localhost/v1/":): \left. \boldsymbol{u}\right)\quad d\Omega ={\int }_{\partial \Omega }\left(\tilde{\boldsymbol{u}}-\right. Failed to parse (MathML with SVG or PNG fallback (recommended for modern browsers and accessibility tools): Invalid response ("Math extension cannot connect to Restbase.") from server "https://mathoid.scipedia.com/localhost/v1/":): \left. \boldsymbol{u}\right)\cdot \boldsymbol{n}\quad d\Gamma \quad

( 10)

que se satisface si se impone la ecuación (5) pero no con las condiciones de contorno (6) o (9) .

Nótese que la conservación de volumen no es imprescindible desde el punto de la regularización, pero puede ser una propiedad interesante en algunos modelos constitutivos. Considérese, por ejemplo, el modelo plástico regularizado mediante desplazamientos suavizados de [16] , en el que la deformación plástica se calcula a partir de Failed to parse (MathML with SVG or PNG fallback (recommended for modern browsers and accessibility tools): Invalid response ("Math extension cannot connect to Restbase.") from server "https://mathoid.scipedia.com/localhost/v1/":): {\textstyle \tilde{\boldsymbol{u}}}

. Si las deformaciones locales son isocóricas (∇ · u  = 0), entonces la condición (10)  permite que las deformaciones suavizadas también puedan serlo.      

Como alternativa a las ecuaciones (5) , (6) y (9) , se proponen aquí condiciones de contorno combinadas, que consisten en prescribir condiciones de contorno esenciales para la componente normal del campo de desplazamientos y condiciones de Neumann no homogéneas para la componente tangencial:

Failed to parse (MathML with SVG or PNG fallback (recommended for modern browsers and accessibility tools): Invalid response ("Math extension cannot connect to Restbase.") from server "https://mathoid.scipedia.com/localhost/v1/":): \begin{array}{ccc} \tilde{\boldsymbol{u}}\cdot \boldsymbol{n} & = & \boldsymbol{u}\cdot \boldsymbol{n}\\ \nabla \left(\tilde{\boldsymbol{u}}\cdot \boldsymbol{t}\right)\cdot \boldsymbol{n} & = & \nabla \left(\boldsymbol{u}\cdot \boldsymbol{t}\right)\cdot \boldsymbol{n}\\ & & \end{array}en\quad \partial \Omega
( 11)

donde n y t son las direcciones normal y tangente a la superficie ∂Ω respectivamente.

Con la condición de contorno esencial (11)1 , se asegura la conservación de volumen, mientras que la condición de Neumann no homogénea (11)2 permite que los desplazamientos puedan suavizarse a lo largo del contorno. Además, esta condición de contorno admite la solución Failed to parse (MathML with SVG or PNG fallback (recommended for modern browsers and accessibility tools): Invalid response ("Math extension cannot connect to Restbase.") from server "https://mathoid.scipedia.com/localhost/v1/":): {\textstyle \tilde{\boldsymbol{u}}=\boldsymbol{u}}

 si el campo de desplazamientos u  es lineal, evitando así la aparición de daño espurio a lo largo del contorno.      

Nótese que la resolución de la ecuación vectorial equivale a la resolución de una ecuación escalar para cada componente del campo vectorial por separado solo si las condiciones de contorno las mantienen desacopladas. Esto ocurre con las condiciones de contorno estándares (5) , (6) y (9) . Sin embargo, las condiciones de contorno combinadas (11) , solo las mantienen desacopladas en el caso en que el contorno sea paralelo a los ejes cartesianos.

Para ilustrar esta discusión (resumida de forma esquemática en la tabla 3 ), se consideran la ecuación de regularización bidimensional (4) definida en el cuadrado unitario [0, 1] × [0, 1], donde

Failed to parse (MathML with SVG or PNG fallback (recommended for modern browsers and accessibility tools): Invalid response ("Math extension cannot connect to Restbase.") from server "https://mathoid.scipedia.com/localhost/v1/":): \boldsymbol{u}=(u_x,u_y)
( 12)

y dos términos fuentes u distintos. Por simplicidad y dado que ahora no se pretende resolver un problema mecánico, se considera

Failed to parse (MathML with SVG or PNG fallback (recommended for modern browsers and accessibility tools): Invalid response ("Math extension cannot connect to Restbase.") from server "https://mathoid.scipedia.com/localhost/v1/":): u:=u_x=u_y
( 14)

Tabla 3. Tabla comparativa entre las condiciones de contorno analizadas en el artículo y las propiedades que satisfacen.
Dirichlet Neumann homogéneas Neumann no homogéneas Combinadas
Reproducibilidad de orden 1 ×
Desplazamientos suavizados a lo largo del contorno ×
Conservación de volumen × ×

En el primer test de validación que se lleva a cabo, se resuelve la ecuación (4) con u lineal, figura 1 (a). Tal y como se observa en la figura 1 , Failed to parse (MathML with SVG or PNG fallback (recommended for modern browsers and accessibility tools): Invalid response ("Math extension cannot connect to Restbase.") from server "https://mathoid.scipedia.com/localhost/v1/":): {\textstyle \tilde{\boldsymbol{u}}=(u,u)}

 es la solución del problema de contorno si se prescriben condiciones de contorno de Dirichlet, de Neumann no homogéneas o combinadas, pero no con condiciones de Neumann homogéneas, figura 1 (c). En este caso y con el fin de satisfacer las condiciones de contorno prescritas, se obtiene una solución Failed to parse (MathML with SVG or PNG fallback (recommended for modern browsers and accessibility tools): Invalid response ("Math extension cannot connect to Restbase.") from server "https://mathoid.scipedia.com/localhost/v1/":): {\textstyle \tilde{\boldsymbol{u}}\not =}

Failed to parse (MathML with SVG or PNG fallback (recommended for modern browsers and accessibility tools): Invalid response ("Math extension cannot connect to Restbase.") from server "https://mathoid.scipedia.com/localhost/v1/":): (u,u)

. Esta falta de reproducibilidad de funciones lineales presenta problemas en la regularización del problema mecánico. En efecto, dado un campo deformaciones ɛ (x ) constante, se obtiene un campo de tensiones σ (x ) no constante (tabla 2 ).


Test de validación con (a) u(x)=u(x, y)=1+x+5y. Soluciones u˜, donde u˜=(u˜,u˜), ...


Figura 1.

Test de validación con (a) u (x ) = u (x , y ) = 1 + x  + 5y   . Soluciones Failed to parse (MathML with SVG or PNG fallback (recommended for modern browsers and accessibility tools): Invalid response ("Math extension cannot connect to Restbase.") from server "https://mathoid.scipedia.com/localhost/v1/":): {\textstyle \tilde{u}}

, donde Failed to parse (MathML with SVG or PNG fallback (recommended for modern browsers and accessibility tools): Invalid response ("Math extension cannot connect to Restbase.") from server "https://mathoid.scipedia.com/localhost/v1/":): {\textstyle \tilde{\boldsymbol{u}}=(\tilde{u},\tilde{u})}
, obtenidas al imponer condiciones de contorno (b) de Dirichlet, (c) de Neumann homogéneas, (d) de Neumann no homogéneas y (e) combinadas.                  

El segundo test de validación consiste en resolver la ecuación (4) con el término u de la figura 2 (a). Tal y como se observa en la figura 2 (b), prescribiendo condiciones de contorno esenciales, Failed to parse (MathML with SVG or PNG fallback (recommended for modern browsers and accessibility tools): Invalid response ("Math extension cannot connect to Restbase.") from server "https://mathoid.scipedia.com/localhost/v1/":): {\textstyle \tilde{\boldsymbol{u}}=(\tilde{u},\tilde{u})}

 no es suave a lo largo del contorno. Con las condiciones de contorno de Neumann, en cambio, sí se consigue la suavidad necesaria, figuras 2 (c) y (d). Mediante las condiciones de contorno combinadas, se obtienen los campos Failed to parse (MathML with SVG or PNG fallback (recommended for modern browsers and accessibility tools): Invalid response ("Math extension cannot connect to Restbase.") from server "https://mathoid.scipedia.com/localhost/v1/":): {\textstyle {\tilde{u}}_x}
 y Failed to parse (MathML with SVG or PNG fallback (recommended for modern browsers and accessibility tools): Invalid response ("Math extension cannot connect to Restbase.") from server "https://mathoid.scipedia.com/localhost/v1/":): {\textstyle {\tilde{u}}_y}
 de las figuras 2 (e) y (f) respectivamente. Obsérvese que Failed to parse (MathML with SVG or PNG fallback (recommended for modern browsers and accessibility tools): Invalid response ("Math extension cannot connect to Restbase.") from server "https://mathoid.scipedia.com/localhost/v1/":): {\textstyle {\tilde{u}}_y}
 no es suave a lo largo del contorno. Sin embargo, sí lo son los desplazamientos Failed to parse (MathML with SVG or PNG fallback (recommended for modern browsers and accessibility tools): Invalid response ("Math extension cannot connect to Restbase.") from server "https://mathoid.scipedia.com/localhost/v1/":): {\textstyle {\tilde{u}}_x}
, tangentes al lado {y  = 0} ∪ {y  = 1}, que son los relevantes para modo I, tal y como se ve en los ejemplos numéricos del apartado 3.3 .


Test de validación con (a) u(x) una función triangular. Soluciones (b) u˜x=u˜y ...


Figura 2.

Test de validación con (a) u (x ) una función triangular. Soluciones (b) Failed to parse (MathML with SVG or PNG fallback (recommended for modern browsers and accessibility tools): Invalid response ("Math extension cannot connect to Restbase.") from server "https://mathoid.scipedia.com/localhost/v1/":): {\textstyle {\tilde{u}}_x={\tilde{u}}_y}

 obtenidas con condiciones de Dirichlet, (c) Failed to parse (MathML with SVG or PNG fallback (recommended for modern browsers and accessibility tools): Invalid response ("Math extension cannot connect to Restbase.") from server "https://mathoid.scipedia.com/localhost/v1/":): {\textstyle {\tilde{u}}_x={\tilde{u}}_y}
 obtenidas con condiciones de Neumann homogéneas, (d) Failed to parse (MathML with SVG or PNG fallback (recommended for modern browsers and accessibility tools): Invalid response ("Math extension cannot connect to Restbase.") from server "https://mathoid.scipedia.com/localhost/v1/":): {\textstyle {\tilde{u}}_x={\tilde{u}}_y}
 obtenidas con condiciones de Neumann no homogéneas, (e) Failed to parse (MathML with SVG or PNG fallback (recommended for modern browsers and accessibility tools): Invalid response ("Math extension cannot connect to Restbase.") from server "https://mathoid.scipedia.com/localhost/v1/":): {\textstyle {\tilde{u}}_x}
 obtenida con las condiciones combinadas y (f) Failed to parse (MathML with SVG or PNG fallback (recommended for modern browsers and accessibility tools): Invalid response ("Math extension cannot connect to Restbase.") from server "https://mathoid.scipedia.com/localhost/v1/":): {\textstyle {\tilde{u}}_y}
 obtenida con las condiciones combinadas.                  

3.3. Ejemplos numéricos

En este apartado se presentan tres ensayos numéricos llevados a cabo mediante las cuatro condiciones de contorno analizadas anteriormente. Para cada ensayo, se muestran las curvas fuerza-desplazamiento y los campos de daño con el fin de estudiar la influencia de plantear los distintos problemas de contorno.

3.3.1. Ensayo de tracción uniaxial

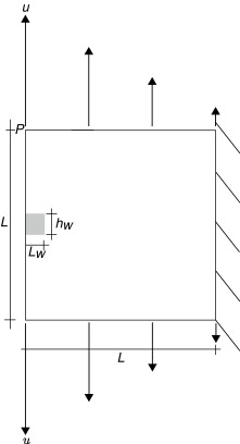
El primer ejemplo consiste en un ensayo de tracción uniaxial: se restringen los desplazamientos en el lateral izquierdo y se imponen en el derecho (figura 3 ).


Ensayo de tracción uniaxial: planteamiento del problema.


Figura 3.

Ensayo de tracción uniaxial: planteamiento del problema.

Se considera que la parte central del espécimen está debilitada (reducción del módulo de Young de un 10%) con el fin de forzar la localización en esta zona. En la tabla 4 se muestran los parámetros geométricos y materiales empleados. Se supone un coeficiente de Poisson ν  = 0,0 con el fin de reproducir un ejemplo puramente unidimensional. El ensayo se lleva a cabo con un modelo de Mazars [24] , una ley lineal para el parámetro de daño y una malla uniforme de 100 × 10 cuadriláteros bilineales.

Tabla 4. Ensayo de tracción uniaxial: parámetros geométricos y materiales.
Significado Símbolo Valor
Longitud del espécimen L 100 mm
Ancho del espécimen A 10 mm
Longitud de la parte debilitada LW 20 mm
Módulo de Young E 20.000 MPa
Ídem de la parte debilitada EW 18.000 MPa
Umbral de daño Y0 10−4
Deformación final Yf 1, 25 × 10−2
Coeficiente de Poisson ν 0,0

Las figuras 4 y 5 muestran las curvas fuerza-desplazamiento y los campos de daño respectivamente. Si se imponen condiciones de contorno de Dirichlet para la ecuación de regularización, la energía disipada durante el proceso de fallo (área bajo la curva fuerza-desplazamiento) es de 4,2125 × 10−1 mJ, más de 3 veces inferior a la cantidad de energía que el espécimen alcanza a resistir si se prescriben las otras condiciones de contorno propuestas (1,3285 mJ). Además, mediante las condiciones de Dirichlet, la zona dañada se estrecha y se pierde el carácter unidimensional de la solución, figura 5 (a). Este fenómeno, ya mencionado en [17] , se debe al hecho de que las condiciones de contorno esenciales no permiten suavizar el campo de desplazamientos a lo largo del contorno.


Ensayo de tracción uniaxial: curvas fuerza-desplazamiento.


Figura 4.

Ensayo de tracción uniaxial: curvas fuerza-desplazamiento.


Ensayo de tracción uniaxial: campos de daño obtenidos mediante condiciones de ...


Figura 5.

Ensayo de tracción uniaxial: campos de daño obtenidos mediante condiciones de contorno (a) de Dirichlet, (b) de Neumann homogéneas, (c) de Neumann no homogéneas y (d) combinadas.

3.3.2. Ensayo de flexión en tres puntos

El segundo ejemplo consiste en un ensayo de flexión en tres puntos (figura 6 ).


Ensayo de flexión en tres puntos: planteamiento del problema.


Figura 6.

Ensayo de flexión en tres puntos: planteamiento del problema.

En la tabla 5 se muestran los parámetros geométricos y materiales empleados. El ensayo se lleva a cabo con un modelo de von Mises modificado [25] , una ley exponencial para el parámetro de daño y una malla de elementos finitos uniforme de 63 × 16 cuadriláteros bilineales.

Tabla 5. Ensayo de flexión en tres puntos: parámetros geométricos y materiales.
Significado Símbolo Valor
Tamaño del espécimen L 64 mm
Módulo de Young E 30.000 MPa
Umbral de daño Y0 10−4
Pendiente curva tensión-deformación B 50
Ratio entre compresión y tracción k 10
Coeficiente de Poisson ν 0,15

Las figuras 7 y 8 muestran las curvas fuerza-desplazamiento y los campos de daño respectivamente. En este ensayo, se obtienen resultados análogos a los obtenidos con el ensayo de tracción uniaxial. Prescribir que los desplazamientos mecánicos y los regularizados coincidan en todo el contorno del dominio (condiciones de contorno de Dirichlet) puede llegar a ser demasiado restrictivo, especialmente en aquellos problemas en que el daño se inicia en el contorno, figura 7 . Además de este mal comportamiento debido a las condiciones de contorno de Dirichlet, en la figura 8 se observa otro fenómeno. Si se prescriben condiciones de contorno de Neumann homogéneas, el contorno del dominio se daña de manera espuria, figura 8 (b). Este comportamiento patológico, debido al hecho de que este tipo de condiciones no aseguran la reproducibilidad de orden 1, se observa también en otros ensayos, tal como se ve a continuación.


Ensayo de flexión en tres puntos: curvas fuerza-desplazamiento.


Figura 7.

Ensayo de flexión en tres puntos: curvas fuerza-desplazamiento.


Ensayo de flexión en tres puntos: campos de daño obtenidos mediante condiciones ...


Figura 8.

Ensayo de flexión en tres puntos: campos de daño obtenidos mediante condiciones de contorno (a) de Dirichlet, (b) de Neumann homogéneas, (c) de Neumann no homogéneas y (d) combinadas.

3.3.3. Ensayo de tracción directa

El tercer ejemplo consiste en un ensayo de tracción directa (modo I de fallo). Se trata de simular numéricamente la respuesta mecánica de una placa cuadrada sometida a una distribución lineal de desplazamientos en los bordes superior e inferior y empotrada en el lateral derecho. Con el fin de causar la localización de deformaciones en la parte central del espécimen, se considera que la placa está debilitada en una región (reducción del módulo de Young de un 90%), figura 9 .


Ensayo de tracción directa: planteamiento del problema.


Figura 9.

Ensayo de tracción directa: planteamiento del problema.

En la tabla 6 se pueden ver los parámetros geométricos y materiales utilizados en las simulaciones numéricas. Se emplea un modelo de daño de Mazars [24] , una ley lineal para el parámetro de daño y una malla uniforme de 40 × 41 cuadriláteros bilineales.

Tabla 6.

Ensayo de tracción directa: parámetros geométricos y materiales.

Significado Símbolo Valor
L 10 mm Tamaño del espécimen
Ídem de la parte debilitada LW 1 mm
Ancho de la parte debilitada hW 1 elemento finito
Módulo de Young E 20.000 MPa
Ídem de la parte debilitada EW 2.000 MPa
Umbral de daño Y0 10−4
Deformación final Yf 1, 25 × 10−2
Coeficiente de Poisson ν 0,3

Las figuras 10 y 11 muestran las curvas fuerza-desplazamiento y los campos de daño respectivamente. En este ensayo, las curvas fuerza-desplazamiento no presentan diferencias significativas, ya que tanto el desplazamiento como la fuerza de reacción que se representan corresponden al borde superior, donde la respuesta mecánica está fuertemente restringida por la distribución lineal de desplazamientos impuestos.


Ensayo de tracción directa: curvas fuerza-desplazamiento.


Figura 10.

Ensayo de tracción directa: curvas fuerza-desplazamiento.


Ensayo de tracción directa: campos de daño obtenidos mediante condiciones de ...


Figura 11.

Ensayo de tracción directa: campos de daño obtenidos mediante condiciones de contorno (a) de Dirichlet, (b) de Neumann homogéneas, (c) de Neumann no homogéneas y (d) combinadas.

En este ensayo se observa también la importancia de imponer que mediante las condiciones de contorno se asegure la reproducibilidad de orden 1, con la finalidad de evitar comportamientos espurios como los observados en la figura 11 (b).

4. Conclusiones

En este trabajo, se ha empleado un modelo de gradiente alternativo a las formulaciones estándares en la que coexisten dos campos de desplazamientos: (a) los estándares o mecánicos u y (b) los suavizados Failed to parse (MathML with SVG or PNG fallback (recommended for modern browsers and accessibility tools): Invalid response ("Math extension cannot connect to Restbase.") from server "https://mathoid.scipedia.com/localhost/v1/":): {\textstyle \tilde{\boldsymbol{u}}}

.      

Este campo de desplazamientos Failed to parse (MathML with SVG or PNG fallback (recommended for modern browsers and accessibility tools): Invalid response ("Math extension cannot connect to Restbase.") from server "https://mathoid.scipedia.com/localhost/v1/":): {\textstyle \tilde{\boldsymbol{u}}}

, a partir del cual se calcula la evolución del parámetro de daño, es la solución de una ecuación de difusión-reacción. Por consiguiente, y con la finalidad de plantear el problema de valores de frontera, se deben prescribir condiciones de contorno adecuadas.      

Este problema, complicado y aún abierto en los modelos de regularización estándar, presenta también ciertas dificultades si la variable que incorpora la regularización es el campo de desplazamientos. Sin embargo, el hecho de que sean estos y no otras variables más internas, plantea ciertas facilidades:

  • Si se imponen las condiciones de contorno más naturales, que son las condiciones de Dirichlet y consisten en prescribir Failed to parse (MathML with SVG or PNG fallback (recommended for modern browsers and accessibility tools): Invalid response ("Math extension cannot connect to Restbase.") from server "https://mathoid.scipedia.com/localhost/v1/":): {\textstyle \boldsymbol{u}=\tilde{\boldsymbol{u}}}
 en todo el contorno, se obtienen campos de desplazamientos suaves en el contorno solo en el caso unidimensional. Sin embargo, en general, los contornos de daño no son físicamente realistas.                          
  • Si se prescriben condiciones de Neumann homogéneas, utilizadas en modelos estándares, Failed to parse (MathML with SVG or PNG fallback (recommended for modern browsers and accessibility tools): Invalid response ("Math extension cannot connect to Restbase.") from server "https://mathoid.scipedia.com/localhost/v1/":): {\textstyle \tilde{\boldsymbol{u}}}
 sí es suave en el contorno. Sin embargo, al no garantizarse la reproducibilidad de orden 1, el contorno del dominio se daña de forma patológica.                          
  • Por este motivo, y con el fin de obtener resultados físicamente realistas, en la literatura se propone el uso de condiciones de contorno de Neumann no homogéneas, que solventan estas dificultades. Sin embargo, mediante estas no se prescribe conservación de volumen.
  • En este artículo se proponen unas condiciones de contorno combinadas, mediante las cuales las componentes normales de los dos campos de desplazamientos coinciden, asegurando así la conservación de volumen, pero permiten cierto movimiento en su componente tangencial. Se ha llevado a cabo la simulación numérica de distintos ensayos mecánicos con las cuatro condiciones de contorno analizadas previamente. Estos ensayos ilustran que tanto las condiciones de contorno esenciales como las de Neumann homogéneas no permiten obtener resultados numéricos físicamente realistas. Las condiciones de Neumann no homogéneas y las combinadas, en cambio, presentan un mejor comportamiento aunque solo estas últimas aseguran la conservación de volumen.

References

  1. [1] M. Jirásek; Mathematical analysis of strain localization; Rev. Eur. Gén. Civil, 11 (7-8) (2007), pp. 977–991
  2. [2] M. Jirásek; Nonlocal damage mechanics; Rev. Eur. Gén. Civil, 11 (7-8) (2007), pp. 993–1021
  3. [3] A. Hillerborg, M. Modeer, P.A. Petersson; Analysis of crack formation and crack growth in concrete by means of fracture mechanics and finite elements; Cement Concrete Res., 6 (6) (1976), pp. 773–782
  4. [4] J. Oliver, A.E. Huespe, M.D.G. Pulido, E. Chaves; From continuum mechanics to fracture mechanics: the strong discontinuity approach; Eng. Fract. Mech., 69 (2) (2002), pp. 113–136
  5. [5] Z.P. Bažant, B.H. Oh; Crack band theory for fracture of concrete; Mater. Struct., 16 (3) (1983), pp. 155–177
  6. [6] M. Cervera, M. Chiumenti; Smeared crack approach: back to the original track; Int. J. Numer. Anal. Methods Geomech., 30 (12) (2006), pp. 1173–1199
  7. [7] J. Lemaitre, J.L. Chaboche; Mechanics of solid materials; Cambridge University Press, Cambridge (1990)
  8. [8] C. Comi; A non-local model with tension and compression damage mechanisms; Eur. J. Mech. - A/Solids, 20 (1) (2001), pp. 1–22
  9. [9] M. Jirásek; Nonlocal models for damage and fracture: comparison of approaches; Int. J. Solids Struct., 35 (31-32) (1998), pp. 4133–4145
  10. [10] Z.P. Bažant, M. Jirásek; Nonlocal integral formulations of plasticity and damage: survey of progress; J. Eng. Mech., 128 (11) (2002), pp. 1119–1149
  11. [11] G. Pijaudier-Cabot, Z.P. Bažant; Nonlocal damage theory; J. Eng. Mech. - ASCE, 118 (10) (1987), pp. 1512–1533
  12. [12] R. de Borst, J. Pamin, R.H.J. Peerlings, L.J. Sluys; On gradient-enhanced damage and plasticity models for failure in quasi-brittle and frictional materials; Comput. Mech., 17 (1-2) (1995), pp. 130–141
  13. [13] R.H.J. Peerlings, R. de Borst, W.A.M. Brekelmans, M.G.D. de Geers; Gradient-enhanced damage modelling of concrete fracture; Mech. Cohesive-Frictional Mater., 3 (4) (1998), pp. 323–342
  14. [14] R.H.J. Peerlings, R. de Borst, W.A.M. Brekelmans, J.H.P. de Vree; Gradient enhanced damage for quasi-brittle materials; Int. J. Numer. Methods Eng., 39 (19) (1996), pp. 3391–3403
  15. [15] A. Rodríguez-Ferran, I. Morata, A. Huerta; A new damage model based on non-local displacements; Int. J. Numer. Anal. Methods Geomech., 29 (5) (2005), pp. 473–493
  16. [16] A. Rodríguez-Ferran, T. Bennett, A. Askes, E. Tamayo-Mas; A general framework for softening regularisation based on gradient elasticity; Int. J. Solids Struct. (2011) http://dx.doi.org/10.1016/j.ijsolstr.2011.01.022
  17. [17] M. Jirásek, S. Marfia; Nonlocal damage models: displacement-based formulations; Proceedings of EURO-C2006: Computational Modelling of Concrete Structures, 27-30 march 2006, Mayrhofen, Austria (2006), pp. 381–390
  18. [18] H.B. Mühlhaus, E.C. Aifantis; A variational principle for gradient plasticity; Int. J. Solids Struct., 28 (7) (1991), pp. 845–857
  19. [19] R.H.J. Peerlings, M.G.D. de Geers, R. de Borst, W.A.M. Brekelmans; A critical comparison of nonlocal and gradient-enhanced softening continua; Int. J. Solids Struct., 38 (44-45) (2001), pp. 7723–7746
  20. [20] C. Polizzotto; Gradient elasticity and nonstandard boundary conditions; Int. J. Solids Struct., 40 (26) (2003), pp. 7399–7423
  21. [21] E. Benvenuti, B. Loret, A. Tralli; A unified multifield formulation in nonlocal damage; Eur. J. Mech. - A/Solids, 23 (4) (2004), pp. 539–559
  22. [22] A. Rodríguez-Ferran, E. Tamayo-Mas, T. Bennett, H. Askes; A Continuous-Discontinuous Model for Softening and Cracking based on Non-Local Gradient Elasticity; Proceedings of Complas X - X International Conference on Computational Plasticity Fundamentals and Applications, 2-4 september 2009, Barcelona, España (2009)
  23. [23] E. Tamayo-Mas, A. Rodríguez-Ferran; A continuous-discontinuous model for softening and cracking based on non-local displacements; ECCM 2010 - IV European Conference on Computational Mechanics, 16-21 mayo 2010, París, Francia (2010)
  24. [24] J. Mazars; A description of micro- and macroscale damage of concrete structures; J. Eng. Fract. Mech., 25 (5-6) (1986), pp. 729–737
  25. [25] J.H.P. de Vree, W.A.M. Brekelmans, M.A.J. Van Gils; Comparison of nonlocal approaches in continuum damage mechanics; Comput. Struct., 55 (4) (1995), pp. 581–588
Back to Top

Document information

Published on 01/09/12
Accepted on 03/02/12
Submitted on 02/02/11

Volume 28, Issue 3, 2012
DOI: 10.1016/j.rimni.2012.03.006
Licence: Other

Document Score

0

Times cited: 3
Views 21
Recommendations 0

Share this document

claim authorship

Are you one of the authors of this document?