Mechanical characterization of polymer composite materials for long length ships

A.K. Haldar, T. Gobikannan, A. Portela, C. Athavale, A.J. Comer

Irish Composites Centre (IComp), Bernal Institute, School of Engineering, University of Limerick, Limerick, Ireland

In the marine industry, Fibre-reinforced polymers (FRP) are currently dominating the manufacture of vessels up to 50m in length, with liquid resin infusion (LRI) being the most frequently used manufacturing technique, of which vacuum-assisted liquid resin infusion is the most widely adopted LRI variant. However, current regulations restrict the use of composite materials in vessels over 50m in length. FIBRESHIP is a Horizon 2020 funded EU project that aims to further the use of FRPs in vessels over 50m in length by addressing the regulatory restrictions and the numerous other challenges associated with manufacturing long-length FRP composite ships. The mechanical performance of new commercially available composite material constituents as potential candidates for selection in composite ship construction is central to this work. This paper provides an overview of selected work performed as part of the FIBRESHIP project in terms of evaluating various mechanical properties of selected laminates under dry and wet conditions. The laminates were immersed in seawater at 35°C for durations of one to three months. Three-point bend and interlaminar shear strength tests were undertaken in order to investigate the change in the mechanical properties of composite laminates subject to immersion. Finally, tested specimens were observed using micro-computed tomography (μCT) to evaluate the failure morphology.

Keywords: Seawater, Three point bend, Interlaminar Shear Strength, Composites, Glass Fibre

Introduction

Glass fiber based composite materials have been adopted for certain maritime applications for the last 25 years. Indeed, they were used in offshore oil platforms in the early nineties and are also well known in the naval sector where ships are commonly built with these materials. There are also other quite common applications like water storage vessels, pipelines for water desalinization plants and tidal current blades systems for energy generation [1].

In all these applications, the corrosion resistance of glass fiber composite materials makes them very effective. Despite the benefits of using composite materials in naval ship structures, a long-standing concern is the loss of stiffness, strength and other mechanical properties caused by sea water absorption. A potential problem with absorption of water by composite materials (particularly as chemically-bound water) is the possibility of softening and damage to the polymer matrix and fibre-matrix interface [2, 3]. Effects of seawater are different depending on the type of resin used. There are several kinds of resin that could be used for maritime structures such as phenolic, polyurethane, polyester, vinylester and epoxy resins of which polyester, vinylester and epoxy are the most commonly used and are well studied in several scientific journal [4-5].

Absorbed seawater can degrade the strength and stiffness of composite materials particularly under tensile, flexural, compressive and interlaminar shear loads [6-9]. Xu et al. analysed the residual compressive properties of E-glass/vinyl ester (VE) composites after exposure to sea water for 29 months. The composite samples were then subjected to impact damage followed by residual compressive strength analysis, where one side of the composite sample were treated with seawater. The results confirmed a 10 % reduction in compression strength for sea water exposed impact damaged samples compared to original dry sample [8]. Mittal et al. performed experimental studies to understand the influence of seawater on the mechanical and thermal behaviour of untreated and treated MMT (montmorillonite clay) based glass fiber/vinyl ester composites. The flexural strength of untreated and treated MMT composites was reduced by 7 and 4.5 %, respectively, compared to dry samples after immersion in seawater for 65 days [10].

However, limited work has been reported on the effect of sea water on the LEO fire retardant Vinyl ester resin from Buefa. Therefore, the aim of the study is to evaluate the effect of sea water absorption on the mechanical properties of laminates manufactured by vacuum assisted resin infusion using glass fiber reinforced vinyl ester resin.

Materials and Methodology

Laminate manufacturing

Uni-directional (UD) glass laminates were manufactured by the vacuum-assisted liquid resin infusion process. The reinforcement fabric used in this study was Saertex U-E 940 g/m2 LEO unidirectional non-crimp glass fabric. The reinforcement fabric used in this study has 90% of the glass fibres aligned with the 0° direction, the remaining glass fibres are oriented in the 90° direction to provide support to the dry reinforcement. The glass fabric layers were arranged in a [0]2S stacking arrangement. A vinyl ester resin (LEO Injection Resin 8500 from BÜFA) was infused into the fabric under ambient temperature and allowed to cure for 24 hours. A post cure of 6 hours at 80° was also performed. Both the fabric and resin are part of the LEO composite system [11]. Test coupons were extracted by rotating disc cutter for both flexural and interlaminar shear tests.

Experimental

Flexure test

Three-point bend tests were performed under quasi-static loading conditions in accordance with ISO 14125. Samples were dried for 4 hours at 45 °C prior to testing. A nominal span length of 60 mm was used at a testing speed of 1 mm/min. The upper roller diameter was 10 mm and the lower roller diameter was 4 mm. Flexural strength, stiffness and strain in the longitudinal direction (0°) were reported. Apart from the dry state, samples were also immersed in sea water at 35 °C for durations of one month, two months and three months. Flexural properties after immersion were also evaluated.

Interlaminar shear test

Short-span three-point bend tests were conducted under quasi-static loading conditions in accordance with ISO 14130. A nominal span length of 15 mm was used, at a testing speed of 1 mm/min. The upper roller diameter was 10 mm and the lower roller diameter was 4 mm. The apparent inter laminar shear strength (ILSS) in the longitudinal direction (0°) was investigated. Similar to the flexure testing, ILSS samples were also immersed in sea water at 35 °C for the durations of one month, two months and three months. The inter-laminar shear strength values of immersed samples were also recorded.

Micro X-ray computed tomography

Micro-CT scanning (Xradia versa XRM 500 Carl Zeiss X-ray Microscopy Inc.) was used to examine the failed flexural and interlaminar shear samples. Scans were carried out with an optical magnification of 0.39 x and an exposure time of 3.79 s. The x-ray source was run at 80 kV and 88 μA with a pixel resolution of 10.7μm for all tomographic slices.

RESULTS AND DISCUSSION

Effect of sea water ageing on flexural properties

Figure 1 explains the flexural strength value of dry and sea water aged laminates. The laminates produced with fibre volume fraction between 0.538-0.550 ranges. The flexural properties of the laminate decreased as a function of the immersion time in seawater. The flexural strength of samples aged for one and three months decreased by 1% and 3%, respectively. The dry sample exhibited the highest flexural strength (1038 MPa) compared to sea water aged laminates. The highest flexural strain value (~3%) was observed for sea water aged laminates as shown in Table 1. Test result is confirmed that the sea water reduced the flexural strength of glass/vinyl ester laminates due to the further softening and weakening of the laminate beyond saturation.

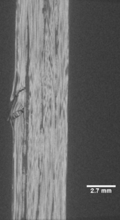
The decline in mechanical properties of hydrothermally aged composites is due to uneven thermal expansion of glass fiber and vinylester, which causes the polymer's swelling and hydrolysis in between fibre and matrix interface [12, 13]. The flexural strain observed for both the one month and three month aged samples exceeded the flexural strain of the dry sample. Micro scanning (μCT) images of the entire laminate revealed the severe fibre fracture and splitting for dry flexural damaged samples as shown in Figure 2 (a). Sea water aged samples have exhibited fibre failure on the compression side as exhibited in Figure 2 (b) & (c). Delamination can be clearly observed for one month sea water aged samples, which confirms the damage in interfacial bonding between fiber and matrix.

Table 1. Flexural Strength and strain value of glass/vinyl ester laminates
SAMPLE Flexural

Strength

(MPa)

Flexural Strain at Failure (%) Fibre volume

fraction

Dry 1037.72±0.07 1.00±0.92 0.546±0.007
Sea water (1M) 1023.24±0.10 3.08±0.12 0.538±0.10
Sea water (3M) 1002.42±0.04 2.92±0.06 0.550±0.012


Haldar et al 2020a 6068 Fig1.png
Fig 1. Flexural strength of glass/vinyl ester UD laminates


Haldar et al 2020a 8546 test-image1-c.png
Haldar et al 2020a 8330 test-image2-c.png
Haldar et al 2020a 8138 test-image3-c.png
(a) (b) (c)


Fig.2. Example of micro-computed tomography images taken on (a) Dry (b) 1 month (c) 3 months, revealing fibre fracture caused by the flexural test.

Effect of sea water ageing on interlaminar shear strength properties

Figure 3 shows the interlaminar shear strength of glass/ vinyl ester laminates. The results follow a similar trend to the flexural strength behaviour observed for the laminates. The highest apparent interlaminar shear strength (55.30 MPa) has observed for the dry condition. Interlaminar shear strength decreased by 6% after one month followed by a total reduction of 21% after three months. A reduction in the interlaminar shear strength is indicative of weakening of the fibre-matrix interface due to the absorbed water [14]. Micro-computed tomography images of SBS damaged samples are shown in Figure 4. Images have not indicated any severe fibre damage for any of laminates. Matrix and fibre damage can be observed from SBS damaged dry sample (Figure 4 (a)). Severe interfacial damage and matrix cracks are very prominent for one and three months sea water aged SBS laminates as exhibited in Figure 4 (b) & ( c). The results ensured the depletion of interlaminar bonding between glass and vinyl ester laminates after sea water ageing process.

Haldar et al 2020a 1184 Fig3.png
Fig 3. Interlaminar shear strength of glass/vinyl ester UD laminates


Haldar et al 2020a 7383 test-image4-c.png
Haldar et al 2020a 4835 test-image5-c.png
Haldar et al 2020a 8309 test-image6-c.png
(a) (b) (c)
Fig.4. Example of micro-computed tomography images taken on (a) Dry (b) 1 month (c) 3 months, revealing delamination caused by the SBS testing.

Conclusion

Uni-directional glass fiber reinforced vinyl ester composite laminates were manufactured by vacuum-assisted resin infusion process. The laminates were subjected to flexural and interlaminar shear testing to understand their mechanical behaviour after sea water ageing process. The present study has demonstrated the effect of seawater absorption into a glass fiber laminate. The results showed that the highest flexural strength and inter laminar shear strength occurred for dry laminates. Highest flexural strain have noted for three months sea water aged laminates. The lowest mechanical properties were found for three months sea water aged laminates highlighting the possible degradation of laminates by sea water. Micro-computed tomography was used to identify the types of damage induced in the composite laminates and it revealed the fiber fracture, interface failure, matrix cracking and delamination in the damaged laminates. Overall, this study provides an insight into the effect of seawater immersion on the mechanical properties of a glass fiber reinforced vinyl ester composite laminates and the importance of accounting for these effects during the design phase.

References:

[1] Boisseau Amélie, Davies Peter, Thiebaud Frédéric. Sea water ageing of composites for ocean energy conversion systems: influence of glass fiber type on static behavior. Appl Compos Mater 2012;19:459–73.

[2] G. Marom and L.J. Broutman, Moisture in Epoxy Resin Composites. The Journal of Adhesion, 12, 1981: p. 153-164 (DOI: 10.1080/00218468108071196).

[3] J. Mijović and K.F. Lin, The effect of hygrothermal fatigue on physical/mechanical properties and morphology of neat epoxy resin and graphite/epoxy composite. Journal of Applied Polymer Science, 30, 1985: p. 2527-2549 (DOI: 10.1002/app.1985.070300619).

[4] Tinh Nguyen, Khaled Aouadi, David Alsheh, Joannie Chin. Effects of civil engineering environments of interfacial properties of polymer/glass fiber composites. In: 4th International conference on composite engineering; July 1997.

[5] Gellert EP, Turley DM. Seawater immersion ageing of glass-fibre reinforced polymer laminates for marine applications. Compos A Appl Sci Manuf 1999;30:1259–65.

[6] A.H.I. Mourad, A.M. Beckry Mohamed, and T. El-Maaddawy, Effect of seawater and warm environment on glass/epoxy and glass/polyurethane composites. Applied Composite Materials, 17, 2010: p. 557-573 (DOI: 10.1007/s10443-010-9143-1).

[7] E.P. Gellert and D.M. Turley, Seawater immersion ageing of glass-fibre reinforced polymer laminates for marine applications. Composites Part A: Applied Science and Manufacturing, 30, 1999: p. 1259-1265.

[8] L.R. Xu, A. Krishnan, H. Ning, and U. Vaidya, A seawater tank approach to evaluate the dynamic failure and durability of E-glass/vinyl ester marine composites. Composites Part B: Engineering, 43, 2012: p. 2480-2486 (DOI: 10.1016/j.compositesb.2011.08.039).

[9] A. Kootsookos and A.P. Mouritz, Seawater durability of glass- and carbon-polymer composites. Composites Science and Technology, 64, 2004: p. 1503-1511 (DOI: 10.1016/j.compscitech.2003.10.019).

[10] Mittal G , Dhand V, Rhee KY, Park SJ, Kim H-J, Jung DH. Investigation of seawater effects

on the mechanical properties of untreated and treated MMT-based glass fiber/vinylester composites.

Ocean Engineering 2015; 108:p. 393-401(DOI: https://doi.org/10.1016/j.oceaneng.2015.08.019).

[11] N.H. Nash, A. Portela, C. Bachour, I. Manolakis, A.J. Comer, Effect of Environmental Conditioning on the Properties of Thermosetting- and Thermoplastic-Matrix Composite Materials by Resin Infusion for Marine Applications, Compos part B 2019; 177 : (DOI: https://doi.org/10.1016/j.compositesb.2019.107271

[12] Hodzic A, Kim JK, Lowe AE, Stachurski ZH. The effects of water aging on the interphase region and interlaminar fracture toughness in polymer–glass composites, Compos. Sci. Technol 2004; 64 : p.2185–2195( DOI: http://dx.doi.org/10.1016/j.compscitech.2004.03.011).

[13] Ellyin F, Maser R. Environmental effects on the mechanical properties of glass-fiber epoxy composite tubular specimens, Compos. Sci. Technol. 2004; 64:p. 1863–1874(DOI: http://dx.doi.org/10.1016/j.compscitech.2004.01.017).

Back to Top

Document information

Published on 15/05/20
Submitted on 11/05/20

Licence: CC BY-NC-SA license

Document Score

0

Views 175
Recommendations 0

Share this document

claim authorship

Are you one of the authors of this document?