En una amplia gama de aplicaciones de ingeniería, las placas rectangulares delgadas que descansan sobre apoyos tienen una importancia considerable, ya que representan un elemento básico de varios elementos estructurales. Su flexión bajo cargas externas se convierte, por tanto, en un comportamiento mecánico de crucial importancia y, en consecuencia, ha recibido suficiente atención durante muchos años. La investigación continúa porque algunas cuestiones críticas, que buscan soluciones analíticas, todavía no han sido investigadas. El modelo analítico no sólo aporta soluciones precisas, sino que también es muy útil para las directrices de diseño.
Timoshenko y Woinowsky-Krieger [1] analizaron el comportamiento a flexión de placas en diferentes configuraciones de carga y condiciones de contorno.
Recientemente, se han desarrollado también diversos procedimientos matemáticos [2, 3, 4] para analizar la flexión de placas con sus lados o vértices apoyados. De entre ellos, cabe destacar el análisis realizado por Li et al [5] en el que se propone una solución analítica para problemas de flexión estática y de vibración libre de placas delgadas rectangulares.
Además, Mujika et al [6] dedujeron el campo de desplazamiento de una probeta unidireccional sometido a un ensayo de flexión de tres puntos aplicando el segundo teorema de Castigliano y el método de la carga unidad. También fue desarrollado por Mujika [7] un nuevo enfoque para el ensayo de flexión en tres puntos de laminados multidireccionales utilizando la energía de deformación complementaria e incluyendo las fuerzas higrotérmicas.
Por otra parte, se han publicado muchos trabajos analizando los desplazamientos y las tensiones producidas en placas de materiales compuestos con diferentes estados de carga y condiciones de contorno mediante aproximaciones numéricas. La técnica más empleada es el Método de los Elementos Finitos (MEF) [8, 9].
El objetivo de este trabajo es desarrollar un procedimiento analítico para el ensayo de flexión de dos planos, el cual considere los efectos creados por los momentos flectores, los momentos torsores y los esfuerzos cortantes. Este ensayo consiste en una placa apoyada en cuatro puntos al que se aplica una fuerza puntual en el centro. El procedimiento matemático para materiales ortótropos en esta configuración de ensayo no está resuelta actualmente. Se han realizado simulaciones numéricas con el software de elementos finitos ABAQUS para constrastar los resultados analíticos obtenidos.
La Figura 1 muestra la configuración del ensayo de flexión en dos planos con una placa rectangular delgada apoyada en cuatro puntos y sometida a una fuerza puntual aplicada en el punto central de la superficie superior de la placa. En verde se muestran los parámetros geométricos correspondientes a las dimensiones de la placa y la distancia entre apoyos, mientras que en rojo se muestran los ejes coordenados, en los que el plano xy coincide con la superficie intermedia de la placa, estando el origen del sistema de coordenadas ubicado en la vertical de un apoyo. La orientación de las fibras del laminado compuesto unidireccional es paralela al eje x.
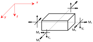
La Figura 2 muestra el convenio de signos adoptada para los esfuerzos cortantes internos Vq y Vr por unidad de longitud, y los momentos de torsión internos Ms o de flexión Mx y My por unidad de longitud, en la placa rectangular. La notación utilizada para denotar la fuerza cortante y el momento torsor corresponde a Daniel e Ishai [10], donde el subíndice q corresponde a yz, el subíndice r a zx y el subíndice s a xy.
El estado general de tensiones en un punto de la placa puede representarse mediante las 9 componentes de tensión que actúan sobre las caras de un cubo elemental con caras perpendiculares a los ejes x, y y z del sistema de coordenadas mostrado en la Figura 3.
Las componentes σx y σy se denominan tensiones normales en el plano, y σz tensión normal fuera del plano. Las tensiones cortantes que actúan en planos perpendiculares se consideran iguales; τyz = τzy y τzx = τxz, que se denominan tensiones fuera del plano, mientras que τxy = τyx= τs es la tensión cortante dentro del plano.
En la teoría de placas laminadas, se supone σz = 0 y εz se considera despreciable. La relación entre las deformaciones y las tensiones se puede definir utilizando la siguiente notación matricial:
|
(1) |
Donde los coeficientes de flexibilidad en las direcciones principales de la lámina son:
|
(2) |
La relación entre las tensiones y los momentos flectores y torsores para un material compuesto unidireccional, están recogidas en la ecuación (3).
|
(3) |
Por otra parte, en la ecuación (4) se recogen las relaciones entre las tensiones tangenciales fuera del plano y las fuerzas cortantes:
|
(4) |
Donde I(z) está definida con la siguiente ecuación:
|
(5) |
La energía de deformación debida a los momentos de flectores y torsores es:
|
(6) |
Donde se han utilizado las siguientes notaciones:
|
(7) |
La energía de deformación debida al esfuerzo cortante fuera del plano es:
|
(8) |
Se supone que la placa forma un cuerpo elástico lineal sobre el que actúa un sistema de cargas concentradas independientes P1,...,Pn, mantenido en equilibrio por los cuatro apoyos. Según el segundo teorema de Castigliano, la componente de desplazamiento generalizada δk en el punto de aplicación de la carga generalizada Pk en la dirección de dicha carga es [11]:
|
(9) |
Utilizando la ecuación (15), la derivada con respecto a Pk de la energía de deformación debida a la flexión y a la torsión es:
|
(10) |
Análogamente, basándonos en la ecuación (8) la derivada de la energía de deformación debida al esfuerzo cortante fuera del plano con respecto a la carga generalizada Pk es:
|
(11) |
La placa rectangular apoyada en cuatro soportes es una estructura hiperestática. Para determinar las fuerzas de reacción que se producen en los apoyos al aplicar la carga unidad, se hará de tal forma que sea posible deducir las fuerzas de reacción producidas en los apoyos aplicando simetría. Cada fuerza estará situada a la misma distancia variable x1 e y1 con respecto a su apoyo más próximo.
Aplicando el método de la carga unidad se obtiene la expresión para calcular el desplazamiento vertical de cualquier punto de la placa debida a momentos flectores y torsores:
|
(12) |
Análogamente, se obtiene la expresión para determinar el desplazamiento vertical debido a los esfuerzos cortantes fuera del plano:
|
(13) |
Con el fin de analizar la posibilidad de obtener unos valores de desplazamientos más próximos a los valores obtenidos mediante simulación numérica y trabajos similares publicados en la literatura científica, se han calculado unas nuevas expresiones de momentos flectores internos utilizando para ello la curvatura de la placa en direcciones x e y. Obteniendo la siguiente expresión para el desplazamiento vertical de cualquier punto de la placa debido a momentos flectores y torsores:
|
(14) |
Utilizando las expresiones matemáticas obtenidas en los apartados anteriores, se han calculado los desplazamientos verticales en alineaciones de la placa en direcciones paralelas al eje x, coincidente con la dirección de la fibra, y también en alineaciones paralelas al eje y, es decir, en dirección perpendicular a la fibra.
Por otra parte, se ha modelizado dicha placa con dimensiones de L’x=L’y=50 mm de lado y h=2 mm de espesor, en el que se han modelizado 12 capas, con el programa de elementos finitos ABAQUS, utilizando elementos Shell del tipo S4R, con un tamaño de elemento de 1/50 del lado de la placa. Los apoyos se encuentran a una distancia de Lx=Ly=40 mm y el material composite unidireccional utilizado ha sido AS4/3501-6 [10], con las siguientes propiedades: E1=147 GPa, E2= E3=10,3 GPa, G12= G13=7 GPa, G23=3,7 GPa, ν12= ν13=0,27 y ν23=0,54.
En la Figura 4 se muestra la distribución de desplazamientos verticales en la alineación paralela al eje x a una distancia y=0,2Ly.
En la Tabla 1 se incluyen los valores numéricos del desplazamiento en la alineación y=0,2Ly cada 5 milímetros para la mitad de la placa, obtenidos mediante simulación numérica y mediante las dos aproximaciones analíticas deducidas. En las dos últimas columnas se indica el error existente entre los resultados obtenidos mediante Abaqus y la segunda aproximación analítica y entre ambas aproximaciones analíticas.
| Posición x (mm) | Abaqus (mm) | Analítico w1 (mm) | Analítico w2 (mm) | Err. (Ab-w2) (%) | Err. (w2-w1) (%) |
| -5 | -0,755707 | -0,738913 | -0,750243 | -0,73% | 1,51% |
| 0 | -0,779639 | -0,766705 | -0,777874 | -0,23% | 1,44% |
| 5 | -0,80444 | -0,796426 | -0,807595 | 0,39% | 1,38% |
| 10 | -0,826388 | -0,823611 | -0,834870 | 1,02% | 1,35% |
| 15 | -0,841422 | -0,843795 | -0,855161 | 1,61% | 1,33% |
| 20 | -0,846727 | -0,852515 | -0,863932 | 1,99% | 1,32% |
Analizando la distribución de desplazamientos representada en la Figura 4 y los resultados mostrados en la Tabla 1, se observa una alta correlación entre los desplazamientos obtenidos por aproximaciones analíticas y simulaciones numéricas.
Por el contrario, tras analizar la distribución de los momentos flectores mediante aproximación analítica y por simulación numérica, éstas no han reproducido la similitud obtenida con los desplazamientos.
Se ha desarrollado un nuevo procedimiento para caracterizar el comportamiento de laminados composites unidireccionales.
La correlación entre los resultados obtenidos para los desplazamientos verticales de forma analítica y numérica ha sido alta, aunque la segunda iteración realizada para obtener nuevos valores de desplazamiento no ha mostrado resultados significativamente mejores que aquellos obtenidos en la primera iteración.
En lo que respecta a la distribución y valores obtenidos para los momentos flectores, aunque en cierto caso exista buena correlación entre los valores obtenidos mediante aproximación analítica y simulación numérica, no se reproduce para todas las alineaciones.
Los autores agradecen a la Universidad del País Vasco (UPV/EHU) la financiación del Grupo de Investigación Mecánica de Materiales GIU 21/015 en la convocatoria de 2021.
| [1] | S. Timoshenko y S. Woinowsky-Krieger, Theory of plates and shells, New York: McGraw-Hill, 1959. |
| [2] | . Y. Zhong, R. Li, Y. Liu y B. Tian, «On new sympectic approach for exact bending solutions of moderately thick rectangular plates with two opposite edges simply supported,» Int. J. Solids Struct., nº 46, pp. 2506-2513, 2009. |
| [3] | B. Pan, R. Li, Y. Su, B. Wang y Y. Zong, «Analytical bending solutions of clamped rectangular thin plates resting on elastic foundations by the symplectic superposition method,» Appl. Math. Lett., nº 26, pp. 355-361, 2013. |
| [4] | R. Li, P. Wang, Y. Tian, B. Wang y G. Li, «A unified analytic solution approach to static bendig and free vibration problems of rectangular thin plates,» Scientific Reports, nº 5, pp. 1-12, 2015. |
| [5] | R. Li, Y. Zhong y B. Tian, «On new symplectic superposition method for exact bending solutions of rectangular cantilever thin plates,» Mech. Res. Commun., nº 38, pp. 111-116, 2011. |
| [6] | F. Mujika y I. Mondragon, «On the displacement field for unidirectional off-axis composites in 3-point flexure - Part 1: Analytical approach,» Journal of Composite Materials, nº 37, pp. 1041-1066, 2003. |
| [7] | F. Mujika, «A novel approach for the three-point flexure test of multidirectional laminates,» Journal of Composite Materials, nº 46, pp. 259-274, 2012. |
| [8] | J. Zhang, S. Liu, S. Ullah y Y. Gao, «Analytical bending solutions of thin plates with two adjacent edges free and the others clamped or simply supported using finite integral transform method,» Computational & Applied Mathematics, vol. 39, nº 4, p. 266, 2020. |
| [9] | X. Zheng, Z. Ni, D. Xu, Z. Wang, M. Liu, Y. Li, J. Du y R. Li, «New analytic buckling solutions of non-Levy-type cylindrical panels within the symplectic framework,» Applied Mathematical Modelling, vol. 98, pp. 398-514, 2021. |
| [10] | I. Daniel y O. Ishai, Engineering mechanics of composite materials, New York: Oxford University Press, 2006. |
| [11] | I. H. Shames y C. L. Dym, Energy and Finite Element Methods in Structural Mechanics, New York: Taylor & Francis, 2017. |
Published on 26/01/24
Accepted on 09/10/23
Submitted on 18/05/23
Volume 08 - COMUNICACIONES MATCOMP21 (2022) Y MATCOMP23 (2023), Issue Núm. 3 - Caracterización - Daño, Fractura y Fatiga, 2024
DOI: 10.23967/r.matcomp.2024.03.02
Licence: Other
Are you one of the authors of this document?